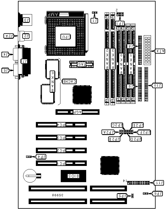
Biostar M5ALA VER 1.0
66MHz83MHz95MHz100MHz
ATX (max 305 x 244 mm)
300mm x 200mm
1x
Floppy interface
2x
IDE interface
1x
PS/2 keyboard
1x
PS/2 mouse
1x
Parallel
2x
Serial
2x
USB 1.x
2x
16-bit ISA
1x
3.3V AGP
4x
32-bit PCI
Last updated 2024-12-09T22:19:32Z
Board info score is 9.6/10
-> Chipset part
-> Clock Synth / PLL
-> Real-Time Clock
Award - 1 entry
POST string
Note
Core Ver.
BIOS Ver.
Logs
Name
Version
OS support
Arch
Size
Filename
Name
Version
1.0.1.2
OS support
Arch
Size
30.4KB
Filename
Name
Version
1.20
OS support
Arch
Size
615.5KB
Filename
Name
Version
3.56
OS support
Arch
Size
880.3KB
Filename
Name
Version
1.00
OS support
Arch
x86
Size
1.5MB
Filename
Name
Version
2.13
OS support
Arch
Size
7.3MB
Filename
Name
Version
2.20
OS support
Arch
Size
10.1MB
Filename
Release date
File
Logs
Chip
Release date
File
Logs
Chip
Release date
1999-05-08
File
Logs
Chip
Release date
1999-11-11
File
Logs
Disclaimer
The info found in this page might not be entirely correct. Check out this guide to learn how you can improve it.