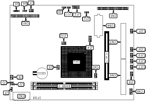
Advantech PCM-5865
Logs
chipChipset
cpuSocket
speedFSB speeds
50MHz60MHz66MHz75MHz
moboForm factor
OEM / Proprietary
dimDimensions
Empty
ramMax VRAM size
1MB
chipCache
512KB
ramMax RAM size
128MB
ramRAM type
72-pin EDO
pwrPSU connector
tag Also known as
connI/O ports
1x 
Floppy interface
1x 
IDE interface
1x 
PS/2 mouse
1x 
Parallel
2x 
Serial
2x 
USB 1.x
1x 
VGA
cardExpansion slots
1x 
32-bit PCI
wrench Known issues
  • DALLAS RTC coin cell empty

The motherboard's Real-Time Clock (RTC) chip contains a coin cell that may have drained, causing the loss of CMOS settings. This can result in an inability to save settings, causing system instability or failure to boot. To fix this, the RTC chip can be replaced with an equivalent or repaired by cutting into it and soldering on a new external coin cell holder. Replacement guides are available at https://github.com/necroware/nwX287 or https://github.com/necroware/nw12887, depending on the actual chip used.

Last updated 2022-06-22T09:12:19Z
Board info score is 8.6/10
bios 3 BIOS files available

vendor Award - 4 entries

POST string
Note
Core Ver.
BIOS Ver.
Logs
POST string
05/19/98-SiS5571,I8661/3-2A5IHAKAC-00
Note
Core version
4.51PG
BIOS version
1.31
Logs
POST string
05/19/98-SiS5571,I8661/3-2A5IHAKAC-00
Note
STN
Core version
4.51PG
BIOS version
Logs
POST string
12/18/97-SiS5571,I8661/3-2A5IHAKAC-00
Note
TFT
Core version
4.51PG
BIOS version
Logs
POST string
12/18/97-SiS5571,I8661/3-2A5IHAKAC-00
Note
STN
Core version
4.51PG
BIOS version
Logs
drv 17 drivers available
Name
Version
OS support
Arch
Size
Filename
Name
Version
V4.12.01.1165
OS support
Windows 9x
Arch
Size
1MB
Filename
Name
Version
4.05.1031
OS support
Windows 9x
Arch
x86
Size
1007.7KB
Filename
Name
Version
N/A
OS support
MS-DOS
Arch
x86
Size
111.9KB
Filename
Name
Version
5.0.212
OS support
Empty
Arch
x86
Size
1.4MB
Filename
Name
Version
6.12.10.3055
OS support
Windows 2000 Windows XP/2k3
Arch
x86
Size
53KB
Filename
Name
Version
4.17.24
OS support
Windows 3.1x
Arch
x86
Size
215.4KB
Filename
Name
Version
2.13
OS support
MS-DOS OS/2 Warp 3.x OS/2 Warp 4.x Windows 9x Windows NT 3.1 Windows NT 3.5x Windows NT 4.0
Arch
Size
Empty
Filename
doc 3 board documents available
Release date
File
Logs
Release date
File
Logs
Release date
File
Logs
Release date
File
Logs

Disclaimer

The info found in this page might not be entirely correct. Check out this guide to learn how you can improve it.