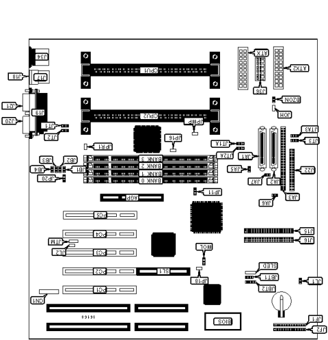
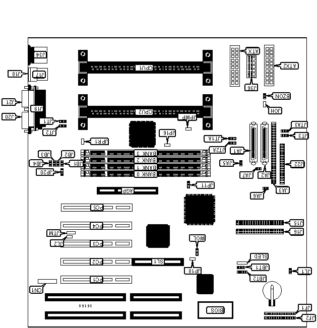
Supermicro S2DG2
Logs
chipChipset
cpuSocket
speedFSB speed
100MHz
moboForm factor
ATX (max 305 x 244 mm)
dimDimensions
355mm x 304mm
chipCache
None/Integrated in the CPU
ramMax RAM size
2GB
ramRAM type
SDR UDIMM
pwrPSU connector
maxcpuMulti CPU support
2 CPUs
connI/O ports
1x 
Floppy interface
2x 
IDE interface
3x 
Internal SCSI
1x 
PS/2 keyboard
1x 
PS/2 mouse
1x 
Parallel
1x 
SB_Link
2x 
Serial
2x 
USB 1.x
cardExpansion slots
2x 
16-bit ISA
1x 
3.3V AGP
5x 
32-bit PCI
1x 
RAID Port
Last updated 2026-01-07T19:12:53Z
Board info score is 9.4/10
bios 1 BIOS file available

vendor AMI - 1 entry

POST string
Note
Core Ver.
BIOS Ver.
Logs
POST string
62-0101-006389-00101111-071595-440GX-0AAMH701
Note
Core version
071595
BIOS version
Logs
drv 6 drivers available
Name
Version
OS support
Arch
Size
Filename
Name
Version
3.20.1008
OS support
Windows 2000 Windows 9x Windows XP/2k3
Arch
Size
Empty
Filename
Name
Version
3.7B / 3.7D
OS support
MS-DOS NetWare Server 3 NetWare Server 4 OS/2 Warp 3.x Windows 3.1x Windows 9x Windows NT 3.5x
Arch
x86
Size
1.6MB
Filename
doc 2 board documents available
Release date
File
Logs
Release date
File
Logs
Release date
File
Logs

Disclaimer

The info found in this page might not be entirely correct. Check out this guide to learn how you can improve it.