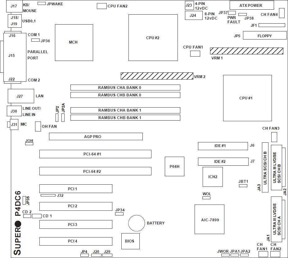
Supermicro P4DC6
400MHz
Extended ATX/EATX (max 305 × 330 mm)
305mm x 330mm
None/Integrated in the CPU
2GB(PC800)
184-pin RDRAM
2 CPUs
- Supermicro P4DCE (no SCSI)
1x
3.5mm Audio Combo
1x
Floppy interface
2x
IDE interface
3x
Internal SCSI
1x
IrDA
1x
PS/2 keyboard
1x
PS/2 mouse
1x
Parallel
1x
RJ-45 LAN
2x
Serial
4x
USB 1.x
1x
1.5V AGP Pro
4x
32-bit PCI
2x
64-bit PCI
Last updated 2025-05-30T19:58:39Z
Board info score is 9.1/10
-> Chipset part
-> Audio
-> Network
-> SCSI ctrl.
-> Super I/O
Award - 1 entry
POST string
Note
Core Ver.
BIOS Ver.
Logs
Name
Version
OS support
Arch
Size
Filename
Name
Version
4.02.0017
OS support
Arch
x86
Size
5.5MB
Filename
Name
Version
4.10.2225
OS support
Arch
x86
Size
4.6MB
Filename
Name
Version
5.00.2238
OS support
Arch
x86
Size
3MB
Filename
Name
Version
1.10
OS support
Arch
x86
Size
2MB
Filename
Name
Version
3.5.1.6
OS support
Arch
x86
Size
18.5MB
Filename
Name
Version
5.31.0.0
OS support
Arch
Size
60MB
Filename
Name
Version
6.2
OS support
Arch
x86
Size
64.3MB
Filename
Name
Version
2003
OS support
Arch
x86
Size
554.8KB
Filename
Name
Version
2003
OS support
Arch
x86
Size
12.3MB
Filename
Name
Version
2003
OS support
Arch
x86
Size
1.4MB
Filename
Name
Version
2003
OS support
Arch
x86
Size
8.7MB
Filename
Name
Version
2003
OS support
Arch
x86
Size
1.5MB
Filename
Name
Version
2003
OS support
Arch
x86
Size
8.9MB
Filename
Name
Version
2003
OS support
Arch
x86
Size
7.6MB
Filename
Name
Version
11.1
OS support
Arch
x86
, x86-64
Size
36.4MB
Filename
Version
OS support
Arch
Size
Filename
Version
OS support
Arch
x86
Size
2.2MB
Filename
Version
OS support
Arch
Size
Filename
Version
OS support
Arch
x86
Size
Empty
Filename
Version
OS support
Arch
Size
Empty
Filename
Release date
File
Logs
Chip
Release date
File
Logs
Chip
Release date
File
Logs
Chip
Release date
File
Logs
Chip
Release date
File
Logs
Chip
Release date
File
Logs
Chip
Release date
File
Logs
Chip
Release date
File
Logs
Chip
Release date
2006-06-09
File
Logs
Socket
Release date
File
Logs
Disclaimer
The info found in this page might not be entirely correct. Check out this guide to learn how you can improve it.