Philips P3120
Logs
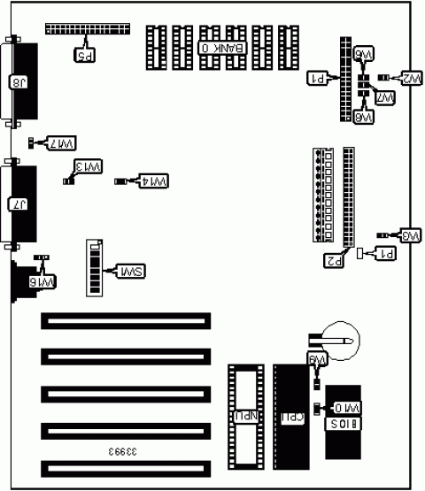
chipChipset
cpuSocket
speedFSB speeds
4.77MHz10MHz
moboForm factor
OEM / Proprietary
dimDimensions
240mm x 185mm
chipCache
None/Integrated in the CPU
ramMax RAM size
768KB
ramRAM type
Empty
pwrPSU connector
Empty
connI/O ports
1x 
Floppy interface
1x 
Parallel
2x 
Serial
1x 
XTA interface
cardExpansion slots
5x 
8-bit ISA
Last updated 2025-06-20T20:20:15Z
Board info score is 7.6/10
chip Chips
cpufam CPU family support
bios 1 BIOS file available

vendor Philips - 1 entry

POST string
Note
Core Ver.
BIOS Ver.
Logs
POST string
Note
Core version
3.13
BIOS version
Logs
drv No drivers available
doc 1 board document available
Release date
File
Logs
Release date
File
Logs

Disclaimer

The info found in this page might not be entirely correct. Check out this guide to learn how you can improve it.