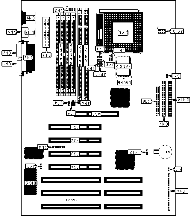
Lucky Star 5AVP3
Logs
chipChipset
cpuSocket
speedFSB speeds
50MHz60MHz66MHz75MHz
moboForm factor
ATX (max 305 x 244 mm)
dimDimensions
305mm x 200mm
chipCache
512KB
ramMax RAM size
512MB
ramRAM type
72-pin EDO
pwrPSU connector
connI/O ports
1x 
Floppy interface
2x 
IDE interface
1x 
PS/2 keyboard
1x 
PS/2 mouse
1x 
Parallel
2x 
Serial
2x 
USB 1.x
cardExpansion slots
3x 
16-bit ISA
1x 
3.3V AGP
4x 
32-bit PCI
notes Notes

BIOS: 1 Support for AMD K6-2 with bus frequency 66 MHz, CPU microcode updated, fixed bugs with 3COM 3C905B LAN Client, Fujitsu MPC HDD and UDMA 33 mode 2 Support for processors IDT WinChip C6-225 (75x3) and IDT WinChip 2-233 (66x3.5)

Last updated 2023-05-29T20:08:22Z
Board info score is 8.4/10
bios 3 BIOS files available

vendor Award - 3 entries

POST string
Note
Core Ver.
BIOS Ver.
Logs
POST string
10/30/1998-VP3-586B-ITE-2A5LEL1AC-00
Note
*1
Core version
4.51PG
BIOS version
Logs
POST string
12/31/97-VP3-586B-IT8661-2A5LEL1AC-00
Note
Initial release
Core version
4.51PG
BIOS version
Logs
POST string
04/21/1999-VP3-586B-ITE-2A5LEL1AC-00
Note
*2
Core version
4.51PG
BIOS version
Logs
drv 5 drivers available
Name
Version
OS support
Arch
Size
Filename
Name
Version
2.6
OS support
Windows 9x
Arch
x86
Size
1.4MB
Filename
Name
Version
2.1.24
OS support
Windows 9x Windows NT 4.0
Arch
x86
Size
1.4MB
Filename
doc 2 board documents available
Release date
File
Logs
Release date
File
Logs
Release date
File
Logs

Disclaimer

The info found in this page might not be entirely correct. Check out this guide to learn how you can improve it.