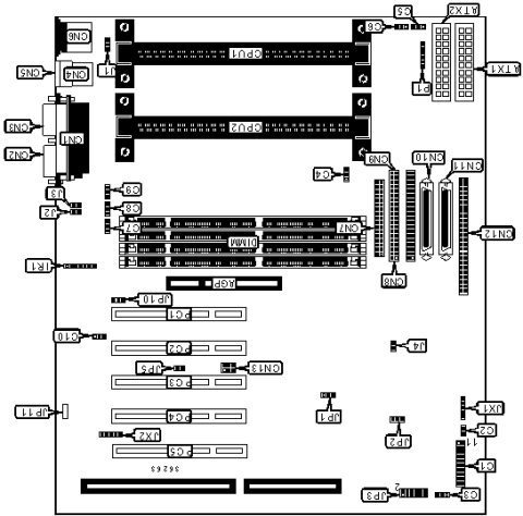
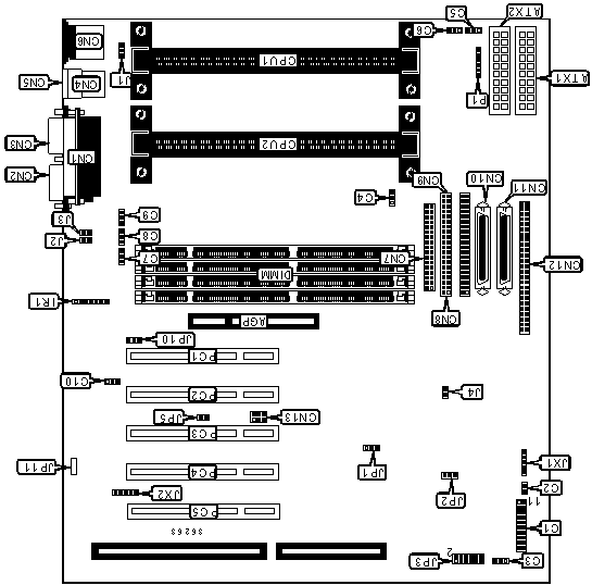
Iwill DGL200
100MHz
ATX (max 305 x 244 mm)
Empty
None/Integrated in the CPU
2GB
SDR UDIMMSDR UDIMM ECCSDR RDIMM ECC
2 CPUs
1x
Floppy interface
2x
IDE interface
2x
Internal SCSI
1x
PS/2 keyboard
1x
PS/2 mouse
1x
Parallel
2x
Serial
2x
USB 1.x
1x
16-bit ISA
1x
3.3V AGP
5x
32-bit PCI
Last updated 2026-01-07T19:11:10Z
Board info score is 9/10
-> Chipset part
Award - 3 entries
POST string
Note
Core Ver.
BIOS Ver.
Logs
Name
Version
OS support
Arch
Size
Filename
Name
Version
3.20.1008
OS support
Arch
Size
Empty
Filename
Name
Version
3.7B / 3.7D
OS support
Arch
x86
Size
1.6MB
Filename
Version
OS support
Arch
Size
Filename
Version
OS support
Arch
Size
Filename
Version
OS support
Arch
x86
Size
2.2MB
Filename
Release date
File
Logs
Chip
Release date
File
Logs
Chip
Release date
File
Logs
Family
Release date
File
Logs
Family
Release date
1998-09
File
Logs
Disclaimer
The info found in this page might not be entirely correct. Check out this guide to learn how you can improve it.