Intel Pentium Embedded Module
Logs
chipChipset
cpuSocket
speedFSB speed
66MHz
moboForm factor
OEM / Proprietary
dimDimensions
76.6 x 101 mm
chipCache
256KB
ramMax RAM size
512MB(EDO)
ramRAM types
72-pin FPM72-pin EDO168-pin EDO UDIMM
pwrPSU connector
tag Also known as
connI/O ports
Empty
cardExpansion slots
1x 
32-bit PCI
notes Notes

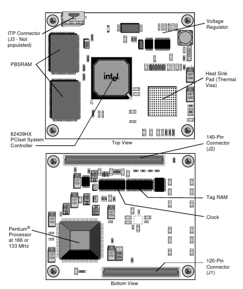
Overview

  • Intel Pentium Processor with Voltage Reduction Technology with internal/bus frequency of 133/66 MHz (EMBMOD133)
  • Intel Mobile Pentium Processor with MMX Technology with internal/bus frequency of 166/66 MHz (EMBMOD166)
  • Processor (host) reference and PCI clock generation Voltage regulation supports processor core input voltage of 2.9 V (EMBMOD133) or 2.45V (EMBMOD166)
  • Passive heat sink and Tape Carrier Package (TCP) lead cover attached
  • Integrates Intel 82439HX System Controller (TXC)
    • PCI 2.1 compliant
    • Integrated second-level cache controller
    • Integrated DRAM controller
    • Optional parity
    • Optional error checking and correction
Last updated 2024-11-22T14:06:20Z
Board info score is 7.6/10
chip Chips
-> Chipset part -> Clock Synth / PLL
cpufam CPU family support
bios 0 BIOS files available
drv 1 driver available
Name
Version
OS support
Arch
Size
Filename
Name
Version
3.00
OS support
OS/2 Warp 3.x Windows NT 3.5x Windows NT 4.0
Arch
x86
Size
1.2MB
Filename

Disclaimer

The info found in this page might not be entirely correct. Check out this guide to learn how you can improve it.