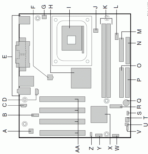
Intel D845GVAD2 (Ashland 2)
Logs
chipChipset
cpuSocket
speedFSB speeds
400MHz533MHz
moboForm factor
microATX (max 244 x 244 mm)
dimDimensions
Empty
ramMax VRAM size
64MB
chipCache
None/Integrated in the CPU
ramMax RAM size
2GB
ramRAM type
DDR UDIMM
pwrPSU connector
Empty
connI/O ports
1x 
3.5mm Audio Combo
1x 
Floppy interface
2x 
IDE interface
1x 
PS/2 keyboard
1x 
PS/2 mouse
1x 
Parallel
1x 
RJ-45 LAN
2x 
Serial
6x 
USB 2.0
1x 
VGA
cardExpansion slots
4x 
32-bit PCI
wrench Known issues
  • Faulty or Leaking Electrolytic Capacitors

Some motherboards may contain faulty or leaking electrolytic capacitors, which can negatively impact system performance or stability. These capacitors may exhibit issues such as bulging, leaking, or even exploding, potentially damaging other components on the motherboard. Users should inspect their capacitors regularly and replace any that are faulty or leaking to avoid damage or system instability.

Last updated 2023-09-20T12:15:26Z
Board info score is 9/10
bios 1 BIOS file available

vendor AMI - 1 entry

POST string
Note
Core Ver.
BIOS Ver.
Logs
POST string
LY84510A.86A.0043.P17.0306270645
Note
Core version
BIOS version
Logs
drv 10 drivers available
Name
Version
OS support
Arch
Size
Filename
Name
Version
14.10.3.4342
OS support
Windows 2000 Windows XP/2k3
Arch
Size
Empty
Filename
Name
Version
3.5.1.6
OS support
Windows 2000 Windows 9x Windows XP/2k3
Arch
x86
Size
18.5MB
Filename
Name
Version
6.3.0.1007
OS support
Windows 2000 Windows 9x Windows XP/2k3
Arch
x86
Size
Empty
Filename
Name
Version
4.1
OS support
Windows 2000 Windows NT 4.0 Windows XP/2k3
Arch
x86
Size
4.2MB
Filename
Name
Version
2.11.15
OS support
Windows 2000 Windows XP/2k3
Arch
x86
Size
1.9MB
Filename
Name
Version
2.11.15.0
OS support
Windows 2000 Windows XP/2k3
Arch
x86
Size
3.4MB
Filename
Name
Version
3.40.1001
OS support
Windows 2000 Windows 9x Windows XP/2k3
Arch
x86
Size
2.2MB
Filename
doc 1 board document available
Release date
File
Logs
Release date
File
Logs

Disclaimer

The info found in this page might not be entirely correct. Check out this guide to learn how you can improve it.