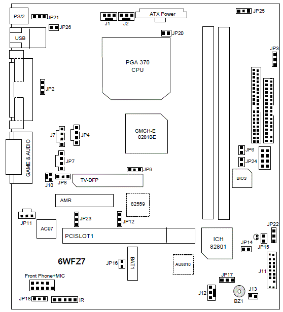
Gigabyte GA-6WFZ7-E
66MHz100MHz133MHz
Flex ATX (max 228.6 × 190.5 mm)
Empty
5MB
None/Integrated in the CPU
512MB
SDR UDIMM
1x
Floppy interface
2x
IDE interface
1x
PS/2 keyboard
1x
PS/2 mouse
1x
Parallel
1x
RJ-45 LAN
2x
Serial
2x
USB 1.x
1x
VGA
1x
32-bit PCI
1x
AMR
Last updated 2022-03-21T09:29:23Z
Board info score is 8.6/10
-> Chipset part
-> Audio
-> Video
Award - 3 entries
POST string
Note
Core Ver.
BIOS Ver.
Logs
Name
Version
OS support
Arch
Size
Filename
Name
Version
4.02.0017
OS support
Arch
x86
Size
5.5MB
Filename
Name
Version
4.10.2225
OS support
Arch
x86
Size
4.6MB
Filename
Name
Version
5.00.2238
OS support
Arch
x86
Size
3MB
Filename
Name
Version
4.1
OS support
Arch
x86
Size
4.2MB
Filename
Version
OS support
Arch
Size
Filename
Version
OS support
Arch
x86
Size
2.2MB
Filename
Version
OS support
Arch
Size
Filename
Version
OS support
Arch
x86
Size
Empty
Filename
Version
OS support
Arch
Size
Empty
Filename
Version
OS support
Arch
Size
Filename
Version
OS support
Arch
Size
Empty
Filename
Release date
File
Logs
Chip
Release date
File
Logs
Chip
Release date
File
Logs
Chip
Release date
File
Logs
Chip
Release date
File
Logs
Chip
Release date
File
Logs
Chip
Release date
File
Logs
Chip
Release date
File
Logs
Chip
Release date
File
Logs
Chip
Release date
File
Logs
Chip
Release date
File
Logs
Chip
Release date
File
Logs
Family
Release date
File
Logs
Family
Release date
2002-02
File
Logs
Family
Release date
2000-02
File
Logs
Family
Release date
2001-06
File
Logs
Socket
Release date
File
Logs
Socket
Release date
1997-05
File
Logs
Disclaimer
The info found in this page might not be entirely correct. Check out this guide to learn how you can improve it.