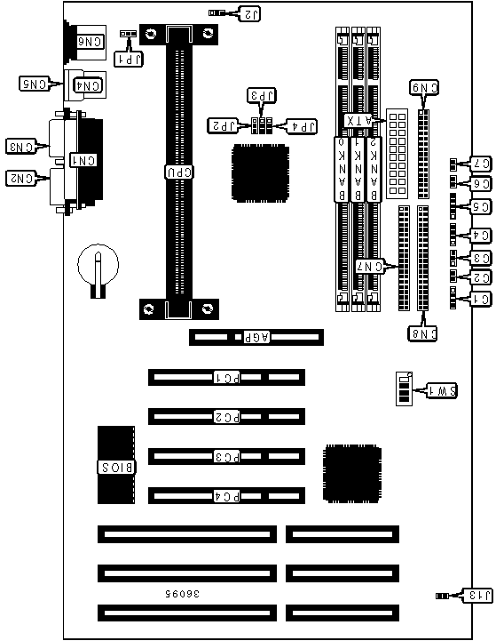
Gigabyte GA-686LX3 (REV. 1.0)
Logs
chipChipset
cpuSocket
speedFSB speed
66MHz
moboForm factor
ATX (max 305 x 244 mm)
dimDimensions
305mm x 180mm
chipCache
None/Integrated in the CPU
ramMax RAM size
768MB
ramRAM types
SDR UDIMM168-pin EDO UDIMM
pwrPSU connector
tag Also known as
connI/O ports
1x 
Floppy interface
2x 
IDE interface
1x 
PS/2 keyboard
1x 
PS/2 mouse
1x 
Parallel
2x 
Serial
2x 
USB 1.x
cardExpansion slots
3x 
16-bit ISA
1x 
3.3V AGP
4x 
32-bit PCI
Last updated 2025-07-29T16:22:06Z
Board info score is 8.7/10
bios 10 BIOS files available

vendor Award - 10 entries

POST string
Note
Core Ver.
BIOS Ver.
Logs
POST string
12/22/2000-i440LX-W977-2A69JG0FC-00
Note
Beta BIOS
Core version
4.51PG
BIOS version
Logs
POST string
03/29/1999-i440LX-W977-2A69JG0FC-00
Note
Core version
4.51PG
BIOS version
Logs
POST string
12/14/1998-i440LX-W977-2A69JG0FC-00
Note
Core version
4.51PG
BIOS version
Logs
POST string
10/07/1998-i440LX-W977-2A69JG0FC-00
Note
Core version
4.51PG
BIOS version
Logs
POST string
07/27/1998-i440LX-W977-2A69JG0FC-00
Note
Core version
4.51PG
BIOS version
Logs
POST string
05/29/98-i440LX-W977-2A69JG0FC-00
Note
Core version
4.51PGM
BIOS version
Logs
POST string
04/27/98-i440LX-W977-2A69JG0FC-00
Note
Core version
4.51PGM
BIOS version
Logs
POST string
04/27/98-i440LX-W977-2A69JG0FC-00
Note
Core version
4.51PGM
BIOS version
Logs
POST string
03/05/98-i440LX-W977-2A69JG0FC-00
Note
Core version
4.51PGM
BIOS version
Logs
POST string
02/09/98-i440LX-W977-2A69JG0FC-00
Note
Core version
4.51PGM
BIOS version
Logs
drv 7 drivers available
Name
Version
OS support
Arch
Size
Filename
Name
Version
3.20.1008
OS support
Windows 2000 Windows 9x Windows XP/2k3
Arch
Size
Empty
Filename
Name
Version
3.00
OS support
OS/2 Warp 3.x Windows NT 3.5x Windows NT 4.0
Arch
x86
Size
1.2MB
Filename
Name
Version
3.7B / 3.7D
OS support
MS-DOS NetWare Server 3 NetWare Server 4 OS/2 Warp 3.x Windows 3.1x Windows 9x Windows NT 3.5x
Arch
x86
Size
1.6MB
Filename
doc 6 board documents available

Disclaimer

The info found in this page might not be entirely correct. Check out this guide to learn how you can improve it.