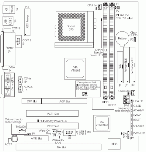
DFI CM35-EC
66MHz100MHz133MHz
microATX (max 244 x 244 mm)
Empty
32MB
None/Integrated in the CPU
1GB
SDR UDIMM
1x
Floppy interface
1x
Gameport
2x
IDE interface
1x
PS/2 keyboard
1x
PS/2 mouse
1x
Parallel
2x
Serial
4x
USB 1.x
1x
16-bit ISA
2x
32-bit PCI
1x
AMR
1x
Universal AGP
- Faulty or Leaking Electrolytic Capacitors
Some motherboards may contain faulty or leaking electrolytic capacitors, which can negatively impact system performance or stability. These capacitors may exhibit issues such as bulging, leaking, or even exploding, potentially damaging other components on the motherboard. Users should inspect their capacitors regularly and replace any that are faulty or leaking to avoid damage or system instability.
Last updated 2023-04-17T22:20:20Z
Board info score is 9.5/10
-> Chipset part
-> Audio
-> Video
Award - 10 entries
POST string
Note
Core Ver.
BIOS Ver.
Logs
Name
Version
OS support
Arch
Size
Filename
Name
Version
N/A
OS support
Arch
x86
Size
227.7KB
Filename
Name
Version
5.70d
OS support
Arch
x86
Size
3.9MB
Filename
Name
Version
V3.00a
OS support
Arch
x86
Size
1.9MB
Filename
Name
Version
13.01.03
OS support
Arch
Size
5.2MB
Filename
Name
Version
10.10.20
OS support
Arch
Size
3.7MB
Filename
Version
OS support
Arch
Size
Filename
Version
OS support
Arch
Size
4.3MB
Filename
Version
OS support
Arch
x86
Size
4.3MB
Filename
Version
OS support
Arch
Size
Filename
Version
OS support
Arch
Size
1.1MB
Filename
Version
OS support
Arch
Size
973.7KB
Filename
Release date
File
Logs
Chip
Release date
File
Logs
Chip
Release date
File
Logs
Family
Release date
File
Logs
Family
Release date
2002-02
File
Logs
Family
Release date
2000-02
File
Logs
Family
Release date
2001-06
File
Logs
Socket
Release date
File
Logs
Socket
Release date
1997-05
File
Logs
Disclaimer
The info found in this page might not be entirely correct. Check out this guide to learn how you can improve it.