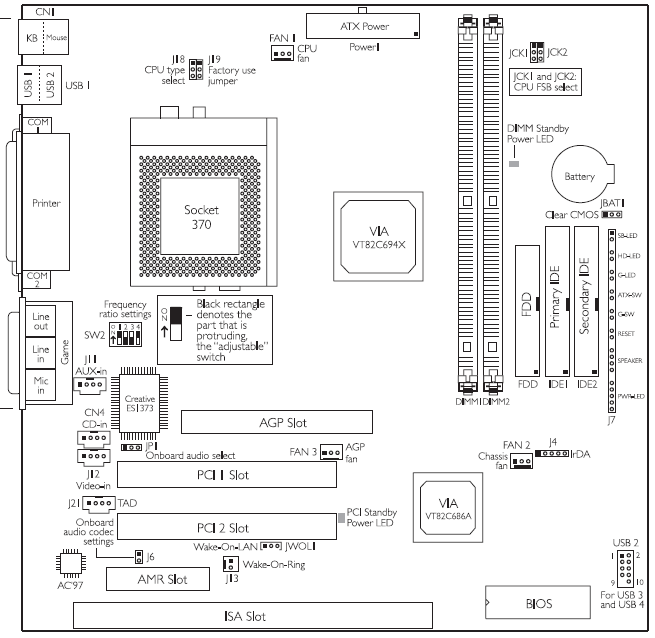
DFI CA34-SU
66MHz100MHz133MHz
microATX (max 244 x 244 mm)
244mm x 244mm
None/Integrated in the CPU
1.5GB
SDR UDIMM
Empty
1x
Floppy interface
1x
Gameport
2x
IDE interface
1x
PS/2 keyboard
1x
PS/2 mouse
1x
Parallel
1x
RJ-45 LAN
2x
Serial
4x
USB 1.x
1x
16-bit ISA
2x
32-bit PCI
1x
AMR
1x
Universal AGP
Last updated 2022-01-11T09:47:21Z
Board info score is 6.7/10
Name
Version
OS support
Arch
Size
Filename
Name
Version
4.06.1154
OS support
Arch
Size
20.9MB
Filename
Name
Version
5.12.01.4107
OS support
Arch
x86
Size
2.8MB
Filename
Name
Version
N/A
OS support
Arch
x86
Size
227.7KB
Filename
Name
Version
5.70d
OS support
Arch
x86
Size
3.9MB
Filename
Name
Version
V3.00a
OS support
Arch
x86
Size
1.9MB
Filename
Name
Version
1.08
OS support
Arch
x86
Size
553.6KB
Filename
Version
OS support
Arch
Size
Filename
Version
OS support
Arch
Size
4.3MB
Filename
Version
OS support
Arch
x86
Size
4.3MB
Filename
Version
OS support
Arch
Size
Filename
Version
OS support
Arch
Size
1.1MB
Filename
Version
OS support
Arch
Size
973.7KB
Filename
Release date
File
Logs
Chip
Release date
File
Logs
Family
Release date
File
Logs
Family
Release date
2002-02
File
Logs
Family
Release date
2000-02
File
Logs
Family
Release date
2001-06
File
Logs
Socket
Release date
File
Logs
Socket
Release date
1997-05
File
Logs
Disclaimer
The info found in this page might not be entirely correct. Check out this guide to learn how you can improve it.