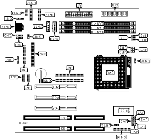
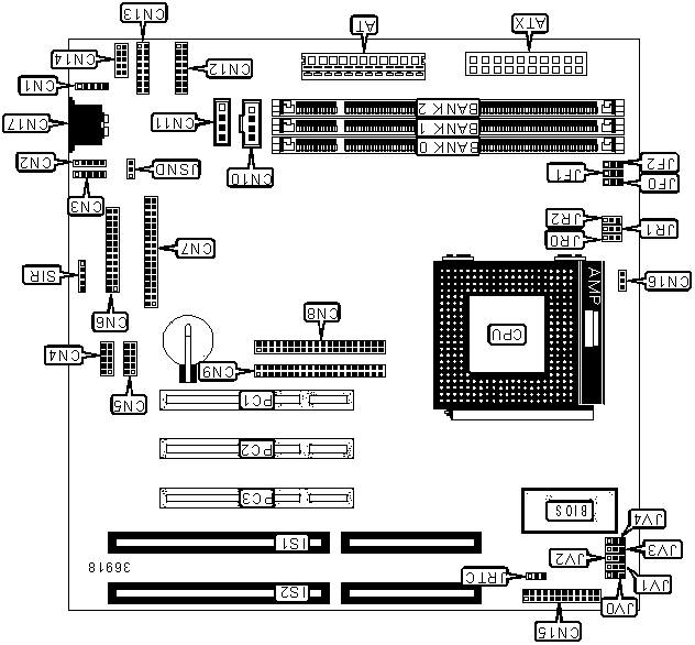
Taiwan Commate / Commell S7SXB
50MHz66MHz
Baby AT (max 220 x 330 mm)
220 mm x 220 mm
64MB
512KB1MB
1.5GB
SDR UDIMM
- Acer S7SXB
1x
AT Keyboard
1x
Floppy interface
1x
Gameport
2x
IDE interface
1x
PS/2 mouse
1x
Parallel
2x
Serial
2x
USB 1.x
1x
VGA
2x
16-bit ISA
3x
32-bit PCI
Last updated 2022-12-28T10:38:57Z
Board info score is 8.7/10
Award - 1 entry
POST string
Note
Core Ver.
BIOS Ver.
Logs
Name
Version
OS support
Arch
Size
Filename
Name
Version
V4.12.01.1165
OS support
Arch
Size
1MB
Filename
Name
Version
4.05.1031
OS support
Arch
x86
Size
1007.7KB
Filename
Name
Version
N/A
OS support
Arch
x86
Size
111.9KB
Filename
Name
Version
5.0.212
OS support
Empty
Arch
x86
Size
1.4MB
Filename
Name
Version
6.12.10.3055
OS support
Arch
x86
Size
53KB
Filename
Name
Version
4.17.24
OS support
Arch
x86
Size
215.4KB
Filename
Name
Version
1.08
OS support
Arch
Size
Empty
Filename
Name
Version
1.02
OS support
Arch
x86
Size
381KB
Filename
Name
Version
2.04A
OS support
Arch
Size
Empty
Filename
Name
Version
1.02
OS support
Arch
Size
Empty
Filename
Name
Version
1.4
OS support
Arch
Size
923.7KB
Filename
Version
OS support
Arch
Size
Filename
Version
OS support
Arch
Size
Filename
Release date
File
Logs
Chip
Release date
File
Logs
Family
Release date
File
Logs
Family
Release date
1999-12
File
Logs
Family
Release date
2000-04
File
Logs
Family
Release date
2000-11
File
Logs
Family
Release date
1998-01
File
Logs
Disclaimer
The info found in this page might not be entirely correct. Check out this guide to learn how you can improve it.