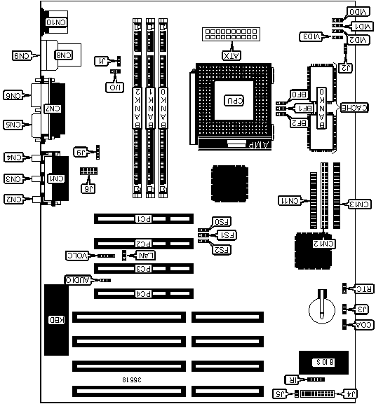
ASUS TX97-X (V3.x)
Logs
chipChipset
cpuSocket
speedFSB speeds
50MHz60MHz66MHz
moboForm factor
ATX (max 305 x 244 mm)
dimDimensions
330mm x 218mm
chipCache
512KB
ramMax RAM size
256MB
ramRAM types
SDR UDIMM168-pin EDO UDIMMSDR UDIMM ECC
pwrPSU connector
Empty
connI/O ports
1x 
3.5mm Audio Combo
1x 
Floppy interface
1x 
Gameport
2x 
IDE interface
1x 
PS/2 keyboard
1x 
PS/2 mouse
2x 
Serial
2x 
USB 1.x
cardExpansion slots
4x 
16-bit ISA
4x 
32-bit PCI
wrench Known issues
  • Inadequate Power Delivery

This motherboard may have insufficient power delivery, which can lead to unstable or unsafe operation. In extreme cases, this may result in hardware damage, spontaneous combustion, or other electrical failures. Users should exercise caution and consider upgrading the motherboard power supply or other components to ensure safe and stable operation. The RetroWeb community may also provide guidance and assistance in mitigating this issue.

notes Notes

K6-2/3/2+/3+ support with patched BIOS, also the patched BIOS fixes the 32 GB limit

Last updated 2024-09-13T16:04:24Z
Board info score is 9.1/10
bios 7 BIOS files available

vendor Award - 7 entries

POST string
Note
Core Ver.
BIOS Ver.
Logs
POST string
11/24/98-82430TX-<TX97-X>C-00
Note
Patched BIOS
Core version
4.51PG
BIOS version
Logs
POST string
12/02/97-82430TX-<TX97-X>C-00
Note
Latest BIOS
Core version
4.51PG
BIOS version
Logs
POST string
07/10/97-82430TX-<TX97-X>C-00
Note
Core version
4.51PG
BIOS version
Logs
POST string
06/16/97-82430TX-<TX97-X>C-00
Note
Core version
4.51PG
BIOS version
Logs
POST string
04/11/97-82430TX-<TX97-X>C-00
Note
Core version
4.51PG
BIOS version
Logs
POST string
05/27/97-82430TX-<TX97-X>C-00
Note
Core version
4.51PG
BIOS version
Logs
POST string
03/19/97-82430TX-<TX97-X>C-00
Note
Core version
4.51PG
BIOS version
Logs
drv 8 drivers available
Name
Version
OS support
Arch
Size
Filename
Name
Version
3.00
OS support
OS/2 Warp 3.x Windows NT 3.5x Windows NT 4.0
Arch
x86
Size
1.2MB
Filename
Name
Version
1.12.000
OS support
Windows 9x
Arch
x86
Size
841.8KB
Filename
Name
Version
N/A
OS support
Windows 3.1x Windows 9x Windows NT 3.5x Windows NT 4.0
Arch
x86
Size
14.6MB
Filename
Name
Version
3.7B / 3.7D
OS support
MS-DOS NetWare Server 3 NetWare Server 4 OS/2 Warp 3.x Windows 3.1x Windows 9x Windows NT 3.5x
Arch
x86
Size
1.6MB
Filename

Disclaimer

The info found in this page might not be entirely correct. Check out this guide to learn how you can improve it.