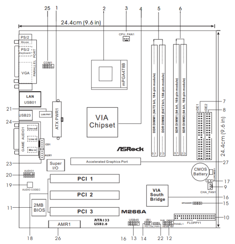
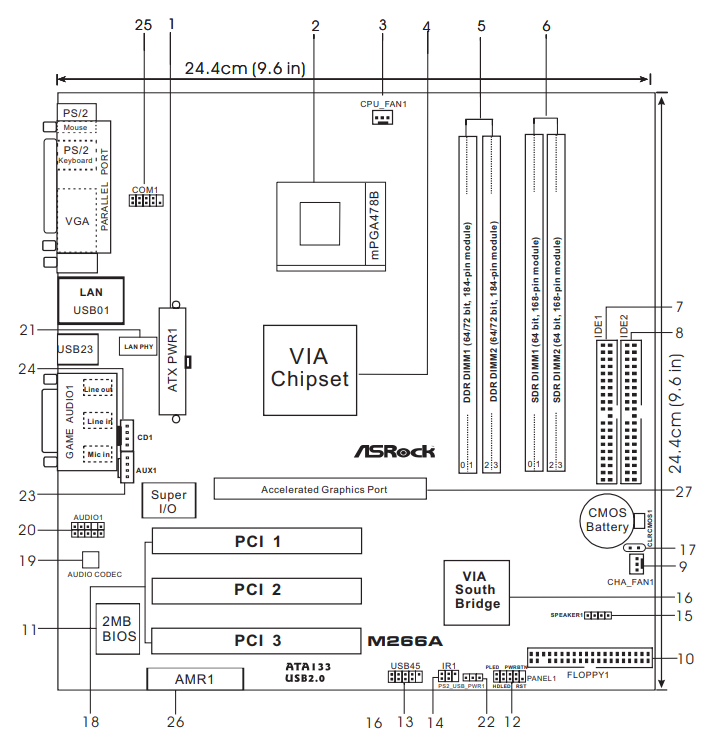
ASRock M266A (Rev. 2.01)
Logs
chipChipset
cpuSocket
speedFSB speeds
400MHz533MHz
moboForm factor
microATX (max 244 x 244 mm)
dimDimensions
244mm x 244mm
ramMax VRAM size
32MB
chipCache
None/Integrated in the CPU
ramMax RAM size
2GB
ramRAM types
DDR UDIMMSDR UDIMM
pwrPSU connector
tag Also known as
connI/O ports
1x 
3.5mm Audio Combo
1x 
Floppy interface
1x 
Gameport
2x 
IDE interface
1x 
PS/2 keyboard
1x 
PS/2 mouse
1x 
Parallel
1x 
RJ-45 LAN
1x 
Serial
6x 
USB 2.0
1x 
VGA
cardExpansion slots
3x 
32-bit PCI
1x 
AMR
1x 
Universal AGP
wrench Known issues
  • Inadequate Power Delivery

This motherboard may have insufficient power delivery, which can lead to unstable or unsafe operation. In extreme cases, this may result in hardware damage, spontaneous combustion, or other electrical failures. Users should exercise caution and consider upgrading the motherboard power supply or other components to ensure safe and stable operation. The RetroWeb community may also provide guidance and assistance in mitigating this issue.

notes Notes

Lacks P4 Power connector

Last updated 2025-04-08T18:22:39Z
Board info score is 9.2/10
bios 3 BIOS files available

vendor AMI - 3 entries

POST string
Note
Core Ver.
BIOS Ver.
Logs
POST string
62-P190-009999-00101111-040201-VIA
Note
Latest BIOS
Core version
040201
BIOS version
Logs
POST string
62-P180-009999-00101111-040201-VIA
Note
Core version
040201
BIOS version
Logs
POST string
62-P160-009999-00101111-040201-VIA
Note
Core version
040201
BIOS version
Logs
drv 6 drivers available
Name
Version
OS support
Arch
Size
Filename
Name
Version
4.43V
OS support
Windows 2000 Windows 9x Windows NT 4.0 Windows XP/2k3
Arch
Size
1.1MB
Filename
Name
Version
5.70d
OS support
Windows 2000 Windows 9x Windows NT 3.5x Windows NT 4.0 Windows XP/2k3
Arch
x86
Size
3.9MB
Filename
Name
Version
V3.00a
OS support
MS-DOS Windows 2000 Windows 9x Windows NT 4.0 Windows XP/2k3
Arch
x86
Size
1.9MB
Filename
Name
Version
6.14.10.0033
OS support
Windows 2000 Windows XP/2k3
Arch
Size
4.9MB
Filename
Name
Version
13.01.09
OS support
Windows 9x
Arch
Size
5.4MB
Filename
Name
Version
2.56
OS support
Windows 2000 Windows 9x
Arch
x86
Size
13.1MB
Filename
doc 1 board document available
Release date
File
Logs
Release date
File
Logs

Disclaimer

The info found in this page might not be entirely correct. Check out this guide to learn how you can improve it.