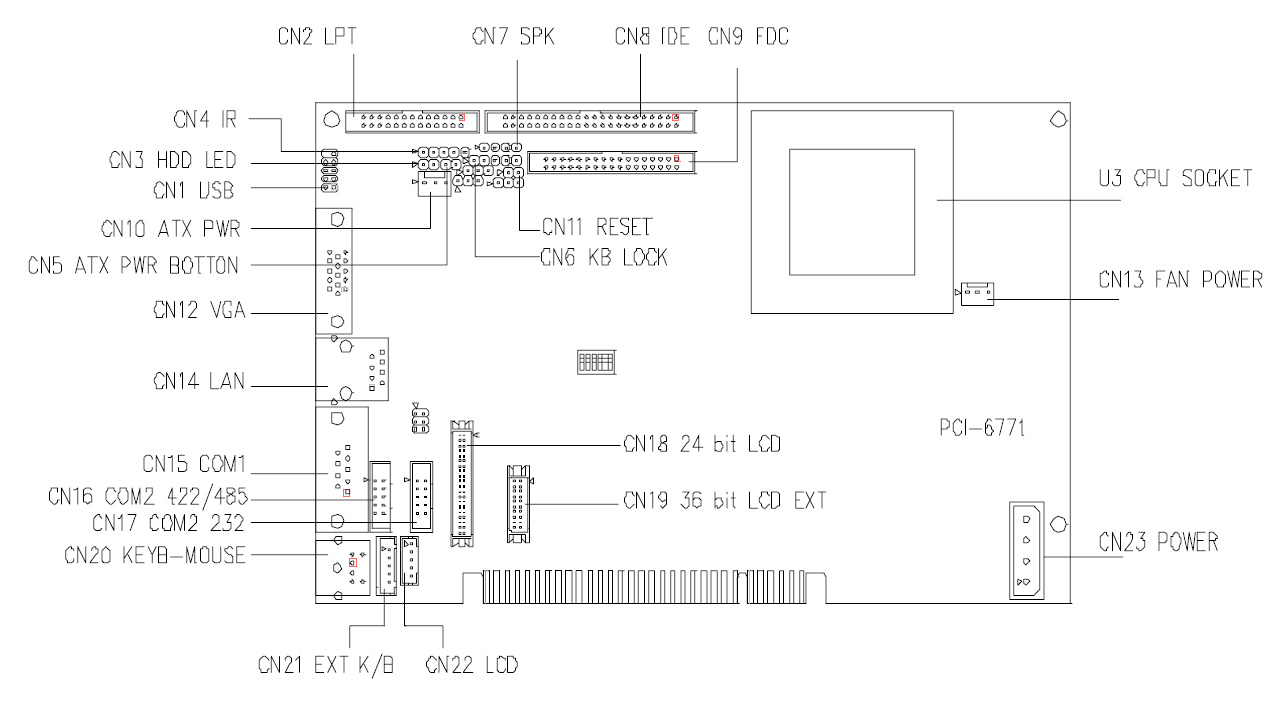
Advantech PCA-6771
66MHz100MHz
Single Board Computer
338 mm x 122 mm
2.5MB
None/Integrated in the CPU
256MB
144-pin SDR SO-DIMM
1x
Floppy interface
2x
IDE interface
1x
PS/2 mouse
1x
Parallel
1x
RJ-45 LAN
2x
Serial
2x
USB 1.x
1x
VGA
1x
16-bit ISA
1x
PC/104
Last updated 2025-10-08T16:22:04Z
Board info score is 0/10
-> Chipset part
-> Network
-> Super I/O
-> Video
Award - 1 entry
POST string
Note
Core Ver.
BIOS Ver.
Logs
POST string
12/13/2000-i440BX-W977-2A69KAKIC-00
Note
Core version
4.51PG
BIOS version
Logs
Name
Version
OS support
Arch
Size
Filename
Name
Version
3.20.1008
OS support
Arch
Size
Empty
Filename
Name
Version
5.719.0325.2009
OS support
Arch
x86
Size
39.5MB
Filename
Name
Version
V5.00
OS support
Arch
x86
, PPC
Size
3.3MB
Filename
Name
Version
3.7B / 3.7D
OS support
Arch
x86
Size
1.6MB
Filename
Version
OS support
Arch
Size
Filename
Version
OS support
Arch
x86
Size
2.2MB
Filename
Version
OS support
Arch
Size
Filename
Release date
File
Logs
Chip
Release date
File
Logs
Chip
Release date
File
Logs
Family
Release date
File
Logs
Family
Release date
2002-02
File
Logs
Family
Release date
2000-02
File
Logs
Family
Release date
2001-06
File
Logs
Socket
Release date
File
Logs
Socket
Release date
1997-05
File
Logs
Disclaimer
The info found in this page might not be entirely correct. Check out this guide to learn how you can improve it.