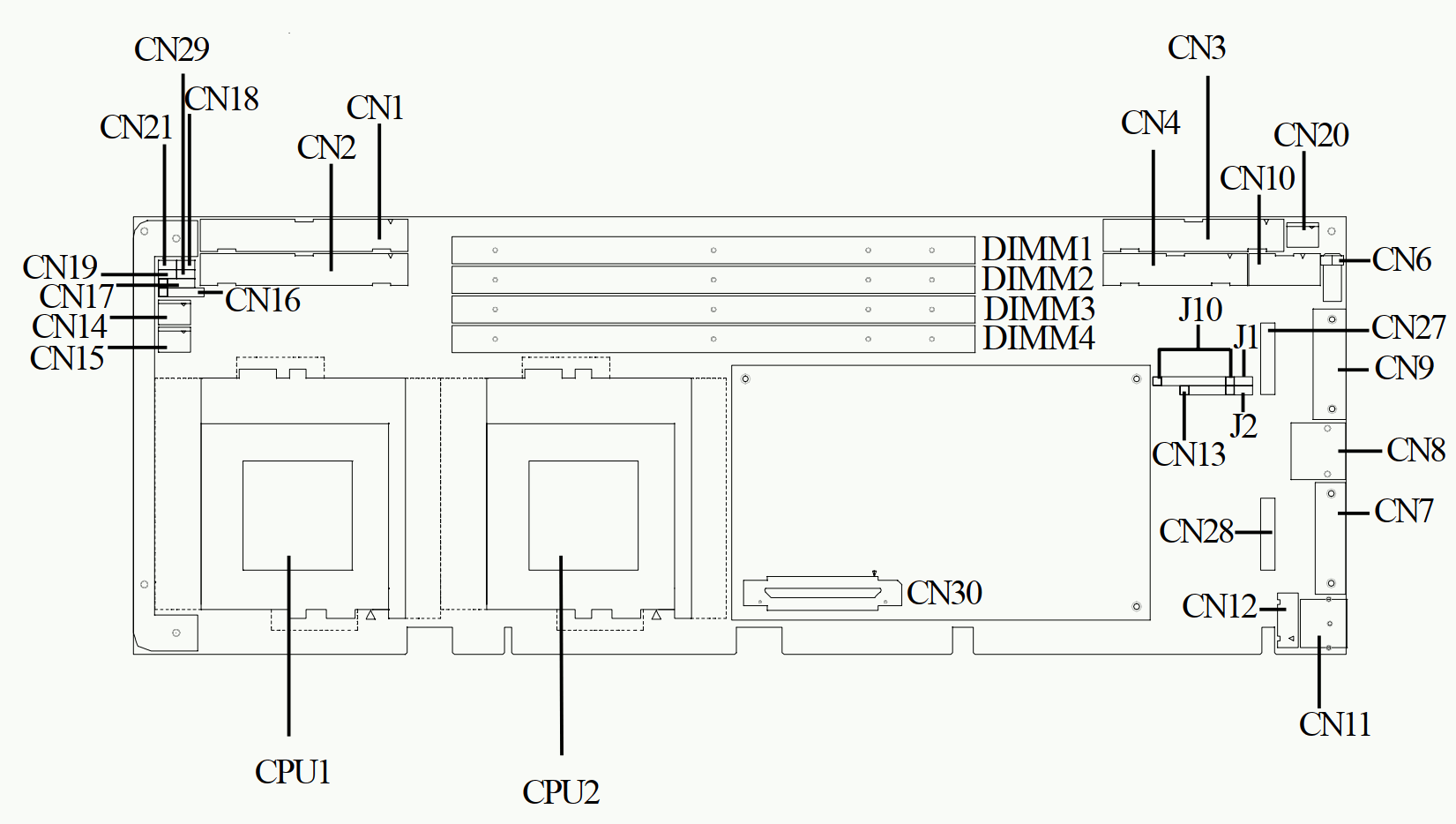
Advantech PCA-6277
Logs
chipChipset
cpuSocket
speedFSB speeds
100MHz133MHz
moboForm factor
Single Board Computer
dimDimensions
338mm x 122mm
ramMax VRAM size
32MB
chipCache
None/Integrated in the CPU
ramMax RAM size
2GB
ramRAM type
SDR UDIMM
pwrPSU connector
Empty
maxcpuMulti CPU support
2 CPUs
connI/O ports
1x 
Disk-on-Chip Socket
1x 
Floppy interface
2x 
IDE interface
3x 
Internal SCSI
1x 
PS/2 mouse
1x 
Parallel
2x 
RJ-45 LAN
2x 
Serial
2x 
USB 1.x
1x 
VGA
cardExpansion slots
1x 
PICMG 1.0 (PCI/ISA)
Last updated 2024-08-21T18:08:03Z
Board info score is 9.5/10
bios 2 BIOS files available

vendor Award - 1 entry

POST string
Note
Core Ver.
BIOS Ver.
Logs
POST string
04/04/2002-694X-686A-6A6LJAKCC-00
Note
Core version
6.00PG
BIOS version
Logs

vendor Adaptec - 1 entry

POST string
Note
Core Ver.
BIOS Ver.
Logs
POST string
Note
SCSI bios
Core version
Adaptec
BIOS version
Logs
drv 16 drivers available
Name
Version
OS support
Arch
Size
Filename
Name
Version
3.03
OS support
MS-DOS
Arch
Size
526.5KB
Filename
Name
Version
4.13.7110
OS support
Windows 9x
Arch
x86
Size
11.5MB
Filename
Name
Version
6.40
OS support
Windows 9x
Arch
x86
Size
7.4MB
Filename
Name
Version
5.719.0325.2009
OS support
Linux MS-DOS Mac OS X NetWare Server 3 NetWare Server 4 Windows 2000 Windows 7 Windows 9x Windows Vista Windows XP/2k3
Arch
x86
Size
39.5MB
Filename
Name
Version
V5.00
OS support
MS-DOS Mac OS X NetWare Server 3 NetWare Server 4 Netware Client32 SCO Unix - OpenServer Windows 2000 Windows 3.1x Windows 9x Windows NT 3.5x Windows NT 4.0
Arch
x86 , PPC
Size
3.3MB
Filename
Name
Version
N/A
OS support
MS-DOS
Arch
x86
Size
227.7KB
Filename
Name
Version
5.70d
OS support
Windows 2000 Windows 9x Windows NT 3.5x Windows NT 4.0 Windows XP/2k3
Arch
x86
Size
3.9MB
Filename
Name
Version
V3.00a
OS support
MS-DOS Windows 2000 Windows 9x Windows NT 4.0 Windows XP/2k3
Arch
x86
Size
1.9MB
Filename
Name
Version
5.13.01.3279
OS support
Windows 2000
Arch
x86
Size
9.6MB
Filename
Name
Version
4.13.7192
OS support
Windows 9x
Arch
x86
Size
12MB
Filename
Name
Version
4.12.6292
OS support
Empty
Arch
x86
Size
13.5MB
Filename
Name
Version
6.13.3279
OS support
Windows XP/2k3
Arch
x86
Size
9.6MB
Filename
doc 2 board documents available
Release date
File
Logs
Release date
File
Logs
Release date
File
Logs

Disclaimer

The info found in this page might not be entirely correct. Check out this guide to learn how you can improve it.