The Retro Web
Support Us
Articles
Home
Motherboards
Search for a motherboard
Manufacturer
Type to select a manufacturer ...
Name
Items/page
24
48
100
Search
Advanced search
(click to expand)
CPU socket
Type to select a socket ...
Type to select a processor family ...
2nd CPU socket
Type to select a socket ...
Type to select a processor family ...
Chipset
Type to select a chipset ...
Form factor
Type to select a form factor ...
Expansion slots
Add a new item
I/O ports
Add a new item
Chips
Add a new item
RAM type
Add a new item
How do I use the search page?
Reset
<< First
< Prev
1
2
3
Next >
Last >>
Showing results [25-48] of 49
Ampro CoreModule/3SXi
2024-08-05T13:24:16Z
Boser HS-3000
2024-09-08T11:41:32Z
Boser HS-3100
ADLink NuPRO-315
2024-09-08T11:41:59Z
Boser HS-3200/4M
2025-08-17T12:38:47Z
BrightSky PCC-3356
2024-08-05T13:27:36Z
ECS UA4985
Soyo SY-019S (onboard U5SX)
2025-07-30T18:07:11Z
Giantec Technology Corp. GT-336
2024-11-01T09:50:58Z
Great Tek Corp. G486USI
2026-01-09T02:07:24Z
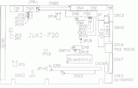
ICP JUKI-730
IEI JUKI-730
2024-03-20T21:08:47Z
ICP JUKI-732E
IEI JUKI-732E
2024-03-20T21:08:59Z
ICP NOVA-300
IEI NOVA-300
2023-08-31T17:08:34Z
ICP ROCKY-318
IEI ROCKY-318
2024-09-08T12:17:20Z
ICP ROCKY-328E
IEI ROCKY-328E
2024-03-20T21:45:14Z
Inlog Micro Systems Co PI-6332V
Inlog Micro Systems Co PI-6332VA |
Inlog Micro Systems Co PI-6332A |
Inlog Micro Systems Co PI-6332 |
Formosa Industrial LMB-6332V
2024-09-08T11:06:07Z
Inlog Micro Systems Co PI-6335 series
Inlog Micro Systems Co PI-6335A |
Inlog Micro Systems Co PI-6335V |
Inlog Micro Systems Co PI-6335VA |
Inlog Micro Systems Co PI-6335VNA
2024-03-20T22:10:01Z
NexCom OMNI 300
iBASE/iBT/TechnoLand OMNI 300-1, OMNI 300-4 |
DSM Computer 96.M1330 |
DSM Computer 96.M1331
2024-03-20T22:59:45Z
NexCom OMNI 300S
iBASE/iBT/TechnoLand OMNI 300-1S, OMNI 300-4S
2024-09-08T15:29:09Z
PowerTech MB457
2025-11-25T19:31:35Z
Protech PC-310-G3
DSM Computer 96.M1331A
2024-09-08T15:53:19Z
Protech PC-320
MiTAC/Trigon MSC-338
2023-01-31T15:59:38Z
Protech ProX-1330
2024-09-08T15:55:04Z
Protech ProX-1360
2024-03-20T23:20:38Z
Taiwan Commate / Commell HE-833
Taiwan Commate / Commell HE-833VE
2025-05-29T19:27:33Z
Taiwan Commate / Commell HE-834
Taiwan Commate / Commell HE-834V |
iCOP ICOP-6024V
2025-05-29T19:27:28Z
<< First
< Prev
1
2
3
Next >
Last >>
Showing results [25-48] of 49