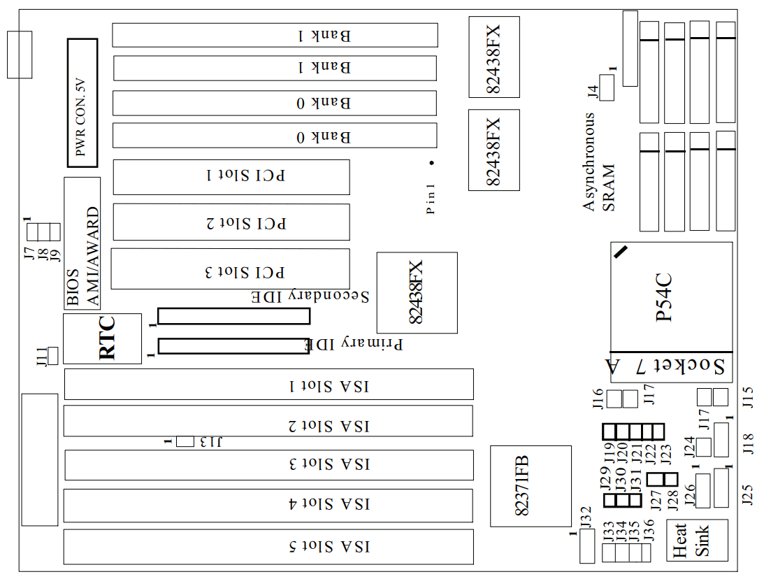
Tyan S1463
Logs
chipChipset
cpuSocket
speedFSB speeds
50MHz60MHz66MHz
moboForm factor
Baby AT (max 220 x 330 mm)
dimDimensions
254mm x 218mm
chipCache
256KB512KB
ramMax RAM size
128MB
ramRAM types
72-pin FPM72-pin EDO
pwrPSU connector
connI/O ports
1x 
AT Keyboard
2x 
IDE interface
cardExpansion slots
5x 
16-bit ISA
3x 
32-bit PCI
wrench Known issues
  • DALLAS RTC coin cell empty

The motherboard's Real-Time Clock (RTC) chip contains a coin cell that may have drained, causing the loss of CMOS settings. This can result in an inability to save settings, causing system instability or failure to boot. To fix this, the RTC chip can be replaced with an equivalent or repaired by cutting into it and soldering on a new external coin cell holder. Replacement guides are available at https://github.com/necroware/nwX287 or https://github.com/necroware/nw12887, depending on the actual chip used.

Last updated 2023-12-01T14:58:57Z
Board info score is 8.4/10
bios 1 BIOS file available

vendor Mr. BIOS - 2 entries

POST string
Note
Core Ver.
BIOS Ver.
Logs
POST string
INTL50T
Note
Core version
3.28
BIOS version
Logs
POST string
INTL50T
Note
System BIOS for Tyan S1461, S1463, S1466 motherboards (Intel Triton)
Core version
3.30
BIOS version
V097B50T
Logs
drv 4 drivers available
Name
Version
OS support
Arch
Size
Filename
Name
Version
3.00
OS support
OS/2 Warp 3.x Windows NT 3.5x Windows NT 4.0
Arch
x86
Size
1.2MB
Filename
Name
Version
3.7B / 3.7D
OS support
MS-DOS NetWare Server 3 NetWare Server 4 OS/2 Warp 3.x Windows 3.1x Windows 9x Windows NT 3.5x
Arch
x86
Size
1.6MB
Filename
doc 1 board document available
Release date
File
Logs
Release date
File
Logs

Disclaimer

The info found in this page might not be entirely correct. Check out this guide to learn how you can improve it.