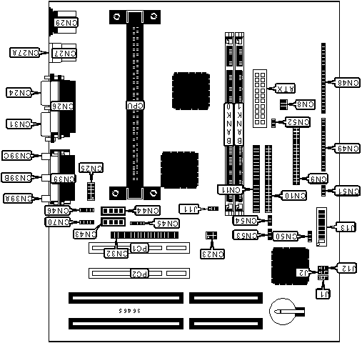
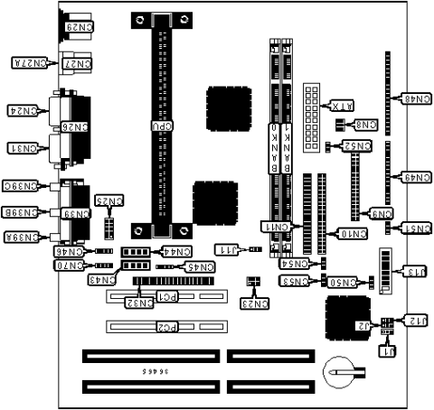
TriGem Como
66MHz
microATX (max 244 x 244 mm)
244 mm x 224 mm
4MB
None/Integrated in the CPU
256MB
SDR UDIMM
1x
Floppy interface
1x
Gameport
2x
IDE interface
1x
PS/2 keyboard
1x
PS/2 mouse
1x
Parallel
2x
Serial
2x
USB 1.x
1x
VGA
2x
16-bit ISA
2x
32-bit PCI
Last updated 2025-01-03T17:17:50Z
Board info score is 9.6/10
-> Chipset part
-> Audio
-> Clock Synth / PLL
-> Sensing / Monitoring
-> Signal transmitter/receiver
-> Super I/O
-> Video
AMI - 4 entries
POST string
Note
Core Ver.
BIOS Ver.
Logs
POST string
62-3144-011899-00101111-071595-440EX-COMO
Note
Core version
071595
BIOS version
Logs
POST string
62-3144-060599-00101111-071595-440EX-COMO
Note
Olivetti OEM
Core version
071595
BIOS version
Logs
POST string
62-3144-120198-00101111-071595-440EX-COMO
Note
Olivetti OEM
Core version
071595
BIOS version
Logs
POST string
62-3144-012399-00101111-071595-440EX-COMO
Note
Core version
071595
BIOS version
Logs
Name
Version
OS support
Arch
Size
Filename
Name
Version
N/A
OS support
Arch
x86
Size
281.5KB
Filename
Name
Version
4.10.1.3000
OS support
Arch
x86
Size
89.1KB
Filename
Name
Version
N/A
OS support
Arch
x86
Size
2.8MB
Filename
Name
Version
PV2860
OS support
Arch
x86
Size
932.8KB
Filename
Name
Version
2.00
OS support
Arch
x86
Size
880.7KB
Filename
Name
Version
N/A
OS support
Arch
x86
Size
1.7MB
Filename
Name
Version
N/A
OS support
Arch
x86
Size
1.7MB
Filename
Name
Version
3.20.1008
OS support
Arch
Size
Empty
Filename
Name
Version
3.7B / 3.7D
OS support
Arch
x86
Size
1.6MB
Filename
Version
OS support
Arch
Size
Filename
Version
OS support
Arch
Size
Filename
Version
OS support
Arch
x86
Size
2.2MB
Filename
Version
OS support
Arch
Size
Filename
Release date
File
Logs
Chip
Release date
File
Logs
Chip
Release date
2009-10
File
Logs
Chip
Release date
2013-04
File
Logs
Chip
Release date
2004-11
File
Logs
Chip
Release date
2025-10
File
Logs
Chip
Release date
2002-10-20
File
Logs
Chip
Release date
1997-09-22
File
Logs
Chip
Release date
File
Logs
Chip
Release date
2000-02
File
Logs
Chip
Release date
2006-01
File
Logs
Chip
Release date
2002-10-20
File
Logs
Family
Release date
File
Logs
Family
Release date
2002-02
File
Logs
Family
Release date
1998-01
File
Logs
Family
Release date
1998-01
File
Logs
Socket
Release date
File
Logs
Socket
Release date
1999-02
File
Logs
Socket
Release date
1997-05
File
Logs
Disclaimer
The info found in this page might not be entirely correct. Check out this guide to learn how you can improve it.