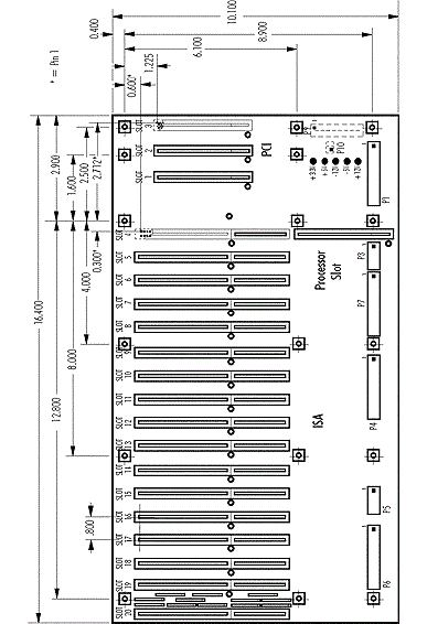
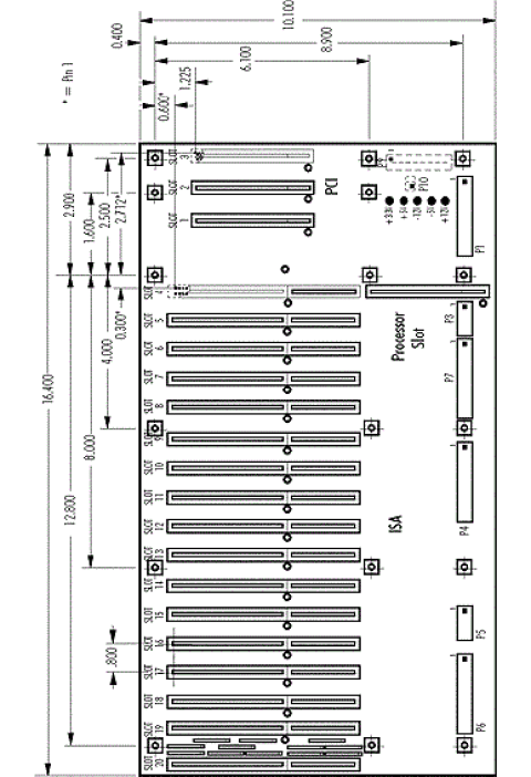
TRENTON BP17/3 Backplane
Logs
chipChipset
Empty
cpuSocket
Empty
speedFSB speed
Empty
moboForm factor
OEM / Proprietary
dimDimensions
256mm x 416mm
chipCache
None/Integrated in the CPU
ramMax RAM size
Empty
ramRAM type
Empty
pwrPSU connector
tag Also known as
connI/O ports
Empty
cardExpansion slots
16x 
16-bit ISA
3x 
32-bit PCI
1x 
PICMG 1.0 (PCI/ISA)
notes Notes

The standard AT power connection is available through two 12-pin .156 MTA connectors or one terminal block connector. Power connection for +3.3V is available through a 12-pin .156 MTA connector or an ATX connector (optional)

Last updated 2025-10-11T14:03:23Z
Board info score is 2.9/10
chip Chips
cpufam CPU family support
Empty
bios 0 BIOS files available
drv No drivers available
doc No board documents available

Disclaimer

The info found in this page might not be entirely correct. Check out this guide to learn how you can improve it.