Logs
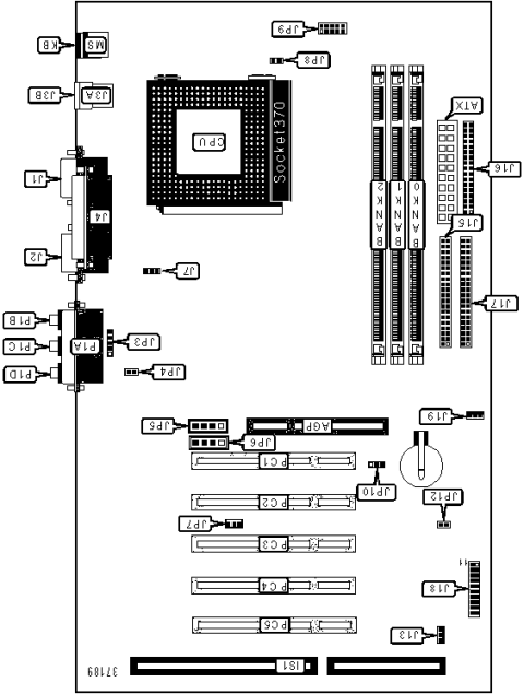
chipChipset
cpuSocket
speedFSB speeds
66MHz100MHz133MHz150MHz
moboForm factor
ATX (max 305 x 244 mm)
dimDimensions
Empty
chipCache
None/Integrated in the CPU
ramMax RAM size
768MB
ramRAM types
SDR UDIMM168-pin EDO UDIMM
pwrPSU connector
connI/O ports
1x 
Floppy interface
2x 
IDE interface
1x 
PS/2 keyboard
1x 
PS/2 mouse
1x 
Parallel
2x 
Serial
2x 
USB 1.x
cardExpansion slots
1x 
16-bit ISA
1x 
3.3V AGP
5x 
32-bit PCI
Last updated 2025-03-29T12:24:57Z
Board info score is 7.8/10
bios 0 BIOS files available
drv 8 drivers available
Name
Version
OS support
Arch
Size
Filename
Name
Version
4.06.1154
OS support
Windows 9x Windows NT 4.0
Arch
Size
20.9MB
Filename
Name
Version
5.12.01.4107
OS support
Windows 2000 Windows 9x
Arch
x86
Size
2.8MB
Filename
Name
Version
3.20.1008
OS support
Windows 2000 Windows 9x Windows XP/2k3
Arch
Size
Empty
Filename
Name
Version
3.7B / 3.7D
OS support
MS-DOS NetWare Server 3 NetWare Server 4 OS/2 Warp 3.x Windows 3.1x Windows 9x Windows NT 3.5x
Arch
x86
Size
1.6MB
Filename
doc 2 board documents available
Release date
File
Logs
Release date
File
Logs
Release date
File
Logs

Disclaimer

The info found in this page might not be entirely correct. Check out this guide to learn how you can improve it.