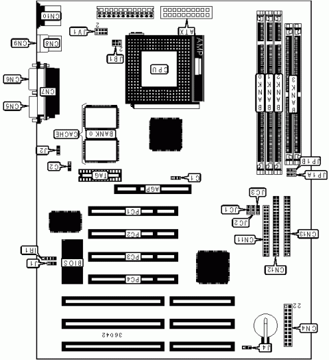
SuperPower SP-V586A
50MHz60MHz66MHz
ATX (max 305 x 244 mm)
304mm x 200mm
512KB
256MB
72-pin EDOSDR UDIMM168-pin EDO UDIMM
Empty
1x
Floppy interface
2x
IDE interface
1x
PS/2 mouse
1x
Parallel
2x
Serial
2x
USB 1.x
3x
16-bit ISA
1x
3.3V AGP
4x
32-bit PCI
Last updated 2021-11-09T09:15:53Z
Board info score is 7.4/10
-> Chipset part
Name
Version
OS support
Arch
Size
Filename
Name
Version
2.6
OS support
Arch
x86
Size
1.4MB
Filename
Name
Version
2.1.24
OS support
Arch
x86
Size
1.4MB
Filename
Version
OS support
Arch
Size
Filename
Version
OS support
Arch
Size
1.1MB
Filename
Version
OS support
Arch
Size
1.1MB
Filename
Version
OS support
Arch
Size
973.7KB
Filename
Release date
File
Logs
Chip
Release date
File
Logs
Chip
Release date
1997-05-13
File
Logs
Chip
Release date
File
Logs
Family
Release date
File
Logs
Family
Release date
1999-12
File
Logs
Family
Release date
2000-04
File
Logs
Family
Release date
2000-11
File
Logs
Family
Release date
1998-01
File
Logs
Disclaimer
The info found in this page might not be entirely correct. Check out this guide to learn how you can improve it.