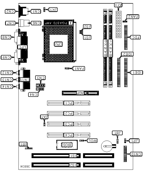
SuperPower SP-7XVA
Logs
chipChipset
cpuSocket
speedFSB speeds
66MHz100MHz133MHz
moboForm factor
ATX (max 305 x 244 mm)
dimDimensions
Empty
chipCache
None/Integrated in the CPU
ramMax RAM size
512MB
ramRAM type
SDR UDIMM
pwrPSU connector
tag Also known as
connI/O ports
1x 
3.5mm Audio Combo
1x 
Floppy interface
1x 
Gameport
2x 
IDE interface
1x 
PS/2 keyboard
1x 
PS/2 mouse
1x 
Parallel
2x 
Serial
2x 
USB 1.x
cardExpansion slots
2x 
16-bit ISA
1x 
3.3V AGP
4x 
32-bit PCI
Last updated 2024-09-28T16:13:36Z
Board info score is 8.6/10
bios 3 BIOS files available

vendor Award - 3 entries

POST string
Note
Core Ver.
BIOS Ver.
Logs
POST string
07/27/1999-693-596-W977-2A6LGSMAC-00
Note
Core version
4.51PG
BIOS version
Logs
POST string
07/27/1999-693-596-W977-2A6LGSMAC-00
Note
Core version
4.51PG
BIOS version
Logs
POST string
01/14/1999-693-596-W977-2A6LGSMAC-00
Note
Core version
4.51PG
BIOS version
Logs
drv 3 drivers available
Name
Version
OS support
Arch
Size
Filename
Name
Version
4.06.1154
OS support
Windows 9x Windows NT 4.0
Arch
Size
20.9MB
Filename
Name
Version
5.12.01.4107
OS support
Windows 2000 Windows 9x
Arch
x86
Size
2.8MB
Filename
Name
Version
4.43V
OS support
Windows 2000 Windows 9x Windows NT 4.0 Windows XP/2k3
Arch
Size
1.1MB
Filename
doc 1 board document available
Release date
File
Logs
Release date
File
Logs

Disclaimer

The info found in this page might not be entirely correct. Check out this guide to learn how you can improve it.