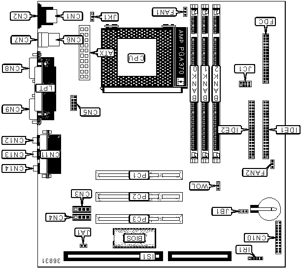
SuperPower SP-7MSM
Logs
chipChipset
cpuSocket
speedFSB speed
66MHz
moboForm factor
microATX (max 244 x 244 mm)
dimDimensions
245mm x 220mm
chipCache
None/Integrated in the CPU
ramMax RAM size
768MB
ramRAM type
SDR UDIMM
pwrPSU connector
tag Also known as
connI/O ports
1x 
Floppy interface
1x 
Gameport
2x 
IDE interface
1x 
PS/2 keyboard
1x 
PS/2 mouse
1x 
Parallel
2x 
Serial
2x 
USB 1.x
cardExpansion slots
1x 
16-bit ISA
3x 
32-bit PCI
Last updated 2024-02-28T18:28:55Z
Board info score is 9.4/10
chip Chips
-> Chipset part
cpufam CPU family support
bios 1 BIOS file available

vendor Award - 1 entry

POST string
Note
Core Ver.
BIOS Ver.
Logs
POST string
04/20/1999-SiS-620-2A6INSMDC-00
Note
Core version
4.51PG
BIOS version
Logs
drv 5 drivers available
Name
Version
OS support
Arch
Size
Filename
Name
Version
1.02
OS support
Windows 9x Windows NT 4.0
Arch
x86
Size
381KB
Filename
Name
Version
1.07
OS support
Windows 2000 Windows 9x Windows NT 4.0
Arch
Size
Empty
Filename
Name
Version
2.04A
OS support
Windows 2000 Windows 9x Windows XP/2k3
Arch
Size
Empty
Filename
Name
Version
1.02
OS support
Windows 9x Windows NT 4.0
Arch
Size
Empty
Filename
Name
Version
1.4
OS support
Windows 9x Windows NT 3.1 Windows NT 3.5x Windows NT 4.0
Arch
Size
923.7KB
Filename
doc 1 board document available
Release date
File
Logs
Release date
File
Logs

Disclaimer

The info found in this page might not be entirely correct. Check out this guide to learn how you can improve it.