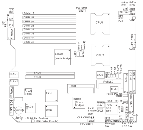
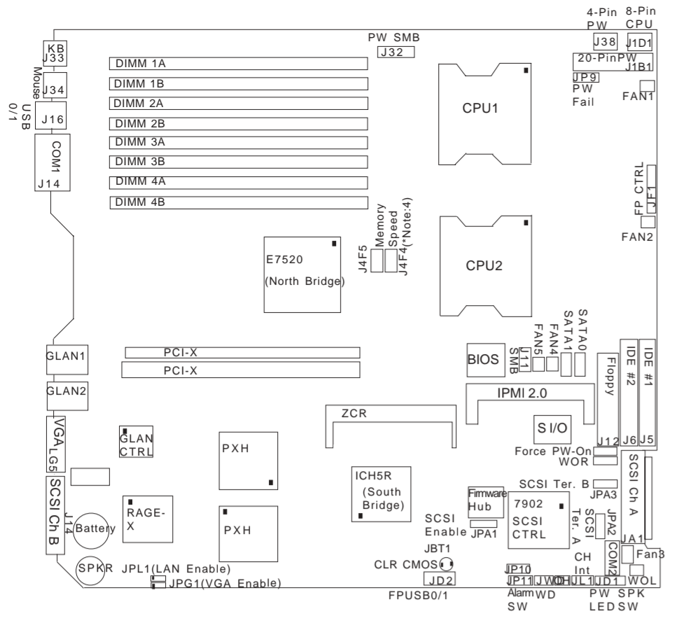
Supermicro X6DHR-X8G
Empty
Extended ATX/EATX (max 305 × 330 mm)
305mm x 332mm
8MB
None/Integrated in the CPU
16GB(333MHz)32GB(266Mhz)
DDR RDIMM ECC
2 CPUs
- Supermicro MBD-X6DHR-X8G-B
- Supermicro X6DHR-XiG
- Supermicro MBD-X6DHR-XiG-B
1x
External SCSI
1x
Floppy interface
2x
IDE interface
1x
Internal SCSI
1x
PS/2 keyboard
1x
PS/2 mouse
2x
RJ-45 LAN
2x
SATA I
2x
Serial
6x
USB 2.0
1x
VGA
2x
64-bit PCI-X
1x
IPMI Card
- X6DHR-X8G (SCSI)
- X6DHR-XiG (no SCSI)
Last updated 2025-11-24T08:05:43Z
Board info score is 7.5/10
-> Chipset part
-> Bridge Interface
-> Network
-> SCSI ctrl.
-> Super I/O
-> Video
Name
Version
OS support
Arch
Size
Filename
Name
Version
4.13.1.2655
OS support
Arch
Size
10.4MB
Filename
Name
Version
5.00.2195.4030
OS support
Arch
x86
Size
5.9MB
Filename
Name
Version
4.12.2647
OS support
Arch
x86
Size
8.5MB
Filename
Name
Version
5.10.2600.6009
OS support
Arch
Size
7.8MB
Filename
Version
OS support
Arch
Size
Filename
Release date
File
Logs
Chip
Release date
File
Logs
Chip
Release date
2004-07
File
Logs
Chip
Release date
2009-10
File
Logs
Chip
Release date
2006-06-09
File
Logs
Family
Release date
File
Logs
Family
Release date
File
Logs
Family
Release date
File
Logs
Socket
Release date
File
Logs
Disclaimer
The info found in this page might not be entirely correct. Check out this guide to learn how you can improve it.