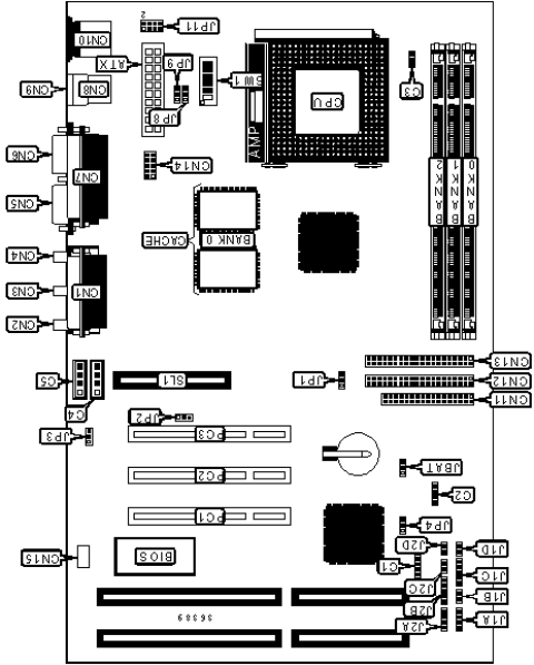
Soltek SL-56F5
Logs
chipChipset
cpuSocket
speedFSB speeds
66MHz75MHz83MHz95MHz100MHz
moboForm factor
ATX (max 305 x 244 mm)
dimDimensions
305mm x 190mm
ramMax VRAM size
8MB
chipCache
512KB1MB
ramMax RAM size
768MB
ramRAM types
72-pin FPM72-pin EDOSDR UDIMM
pwrPSU connector
tag Also known as
connI/O ports
1x 
Floppy interface
1x 
Gameport
2x 
IDE interface
1x 
PS/2 keyboard
1x 
PS/2 mouse
1x 
Parallel
2x 
Serial
2x 
USB 1.x
1x 
VGA
cardExpansion slots
2x 
16-bit ISA
3x 
32-bit PCI
1x 
AMR
Last updated 2025-08-31T11:24:32Z
Board info score is 9.6/10
bios 3 BIOS files available

vendor Award - 3 entries

POST string
Note
Core Ver.
BIOS Ver.
Logs
POST string
02/09/2001-VP4-686A-2A5LHSNAC-00
Note
Core version
4.51PG
BIOS version
Logs
POST string
11/02/1999-VP4-686A-2A5LHSNAC-00
Note
Core version
4.51PG
BIOS version
Logs
POST string
04/13/1999-VP4-686A-2A5LHSNAC-00
Note
Core version
4.51PG
BIOS version
Logs
drv 11 drivers available
Name
Version
OS support
Arch
Size
Filename
Name
Version
N/A
OS support
MS-DOS
Arch
x86
Size
227.7KB
Filename
Name
Version
5.70d
OS support
Windows 2000 Windows 9x Windows NT 3.5x Windows NT 4.0 Windows XP/2k3
Arch
x86
Size
3.9MB
Filename
Name
Version
V3.00a
OS support
MS-DOS Windows 2000 Windows 9x Windows NT 4.0 Windows XP/2k3
Arch
x86
Size
1.9MB
Filename
Name
Version
4.03.00.3120
OS support
Windows NT 4.0
Arch
Size
8.2MB
Filename
Name
Version
1.08
OS support
Windows 2000 Windows 9x
Arch
x86
Size
553.6KB
Filename
doc 2 board documents available
Release date
File
Logs
Release date
File
Logs
Release date
File
Logs

Disclaimer

The info found in this page might not be entirely correct. Check out this guide to learn how you can improve it.