Seanix YUKON TX
Logs
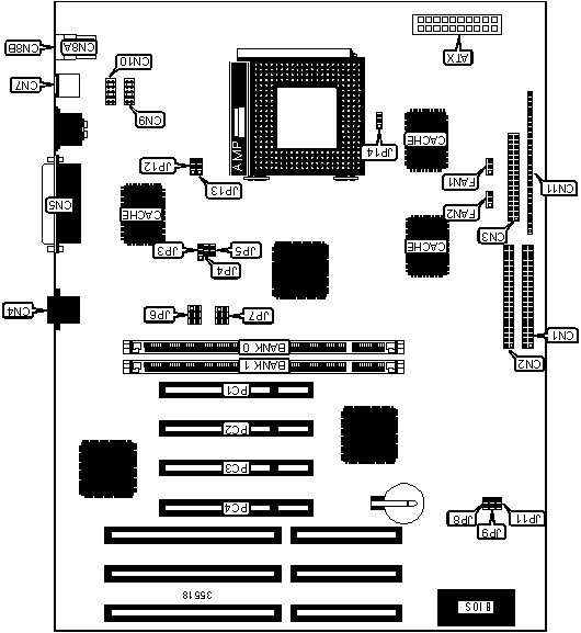
chipChipset
cpuSocket
speedFSB speeds
50MHz60MHz66MHz
moboForm factor
ATX (max 305 x 244 mm)
dimDimensions
220mm x 260mm
chipCache
256KB512KB
ramMax RAM size
512MB
ramRAM types
72-pin EDOSDR UDIMM
pwrPSU connector
tag Also known as
connI/O ports
1x 
Floppy interface
1x 
IDE interface
1x 
PS/2 keyboard
1x 
PS/2 mouse
1x 
Parallel
2x 
Serial
cardExpansion slots
3x 
16-bit ISA
4x 
32-bit PCI
Last updated 2023-01-11T15:10:25Z
Board info score is 8.4/10
bios 2 BIOS files available

vendor AMI - 2 entries

POST string
Note
Core Ver.
BIOS Ver.
Logs
POST string
51-0514-001112-00111111-071595-I430TX-001_10_TX
Note
Core version
071595
BIOS version
Logs
POST string
51-1029-001112-00111111-071595-I430TX-001_10_TX
Note
Core version
071595
BIOS version
Logs
drv 6 drivers available
Name
Version
OS support
Arch
Size
Filename
Name
Version
3.00
OS support
OS/2 Warp 3.x Windows NT 3.5x Windows NT 4.0
Arch
x86
Size
1.2MB
Filename
Name
Version
3.7B / 3.7D
OS support
MS-DOS NetWare Server 3 NetWare Server 4 OS/2 Warp 3.x Windows 3.1x Windows 9x Windows NT 3.5x
Arch
x86
Size
1.6MB
Filename

Disclaimer

The info found in this page might not be entirely correct. Check out this guide to learn how you can improve it.