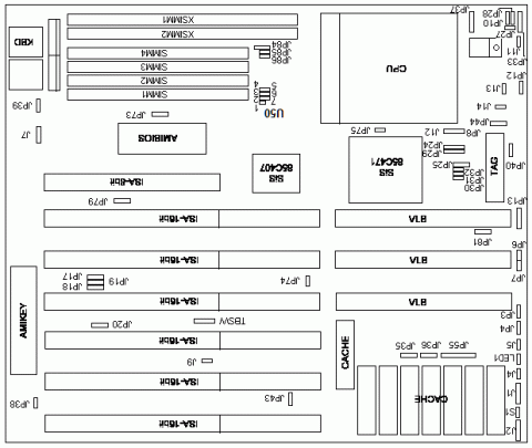
QDI V4S471/G
Logs
chipChipset
cpuSocket
speedFSB speeds
25MHz33MHz40MHz50MHz
moboForm factor
Baby AT (max 220 x 330 mm)
dimDimensions
220mm x 250mm
chipCache
128KB256KB512KB1MB
ramMax RAM size
64MB
ramRAM types
30-pin SIMM72-pin FPM72-pin EDO
pwrPSU connector
tag Also known as
connI/O ports
1x 
AT Keyboard
cardExpansion slots
6x 
16-bit ISA
3x 
32-bit VLB
1x 
8-bit ISA
wrench Known issues
  • Leaky Ni-Cd clock battery

The Ni-Cd battery may be leaking, risking damage to PCB layers & nearby components. Promptly remove the battery & clean corrosion/alkaline salts from the board. Use white vinegar to dissolve salts, but exercise caution as vinegar can corrode exposed metals. A thorough examination & repair may be needed. Replace battery with guide: https://github.com/wiretap-retro/Not-A-Varta

Last updated 2024-02-28T18:13:04Z
Board info score is 9.1/10
chip Chips
-> Chipset part
cpufam CPU family support
bios 3 BIOS files available

vendor AMI - 4 entries

POST string
Note
Core Ver.
BIOS Ver.
Logs
POST string
40-1201-428003-00001111-072594-SIS471
Note
Lastest BIOS
Core version
072594
BIOS version
Logs
POST string
40-0202-428003-00001111-072594-SIS471-H
Note
Core version
072594
BIOS version
INV 9.1
Logs
POST string
40-0107-428003-00001111-072594-SIS471-H
Note
Core version
072594
BIOS version
INV 9.0
Logs
POST string
40-0710-008003-00101111-121593-SIS471
Note
Core version
121593
BIOS version
Logs

vendor Award - 1 entry

POST string
Note
Core Ver.
BIOS Ver.
Logs
POST string
12/07/95-SIS-85C471B/E/G-2C4I9E30-00
Note
EFA bios that will run on this board
Core version
4.50G
BIOS version
Logs
drv No drivers available
doc 2 board documents available
Release date
File
Logs
Release date
File
Logs
Release date
File
Logs

Disclaimer

The info found in this page might not be entirely correct. Check out this guide to learn how you can improve it.