QDI P6V693A/A5/133E (Advance 5/133E)
66MHz100MHz133MHz
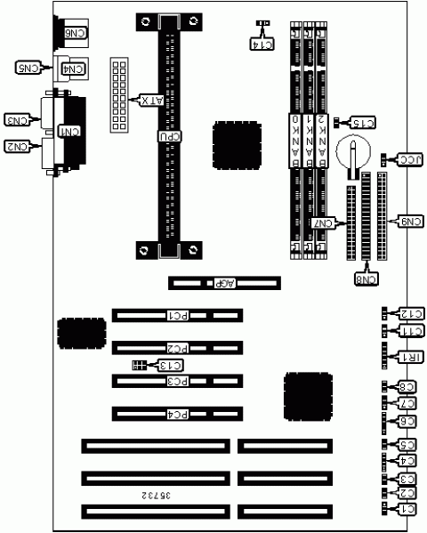
ATX (max 305 x 244 mm)
305mm x 190mm
None/Integrated in the CPU
1.5GB
VCM SDR UDIMMSDR UDIMM
Empty
1x
Floppy interface
2x
IDE interface
1x
PS/2 keyboard
1x
PS/2 mouse
1x
Parallel
1x
SB_Link
2x
Serial
2x
USB 1.x
3x
16-bit ISA
1x
3.3V AGP
4x
32-bit PCI
Last updated 2023-04-28T22:21:16Z
Board info score is 8.9/10
Award - 3 entries
POST string
Note
Core Ver.
BIOS Ver.
Logs
POST string
10/12/2000-693A/596B-W97-2A6LGQ1CC-00
Note
Latest BIOS
Core version
4.51PG
BIOS version
Logs
POST string
03/10/2000-693A/596B-W97-2A6LGQ1CC-00
Note
Core version
4.51PG
BIOS version
Logs
POST string
11/06/1999-693A/596B-W97-2A6LGQ1CC-00
Note
Core version
4.51PG
BIOS version
Logs
Name
Version
OS support
Arch
Size
Filename
Name
Version
4.43V
OS support
Arch
Size
1.1MB
Filename
Release date
File
Logs
Chip
Release date
File
Logs
Family
Release date
File
Logs
Family
Release date
2002-02
File
Logs
Family
Release date
2000-02
File
Logs
Family
Release date
1998-01
File
Logs
Family
Release date
1998-01
File
Logs
Family
Release date
1999-05
File
Logs
Family
Release date
2001-06
File
Logs
Socket
Release date
File
Logs
Socket
Release date
1999-02
File
Logs
Socket
Release date
1997-05
File
Logs
Disclaimer
The info found in this page might not be entirely correct. Check out this guide to learn how you can improve it.