QDI P6I440BX/B1S (BrillianX 1S)
Logs
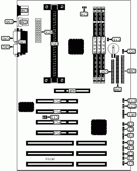
chipChipset
cpuSocket
speedFSB speeds
66MHz100MHz
moboForm factor
ATX (max 305 x 244 mm)
dimDimensions
305mm x 190mm
chipCache
None/Integrated in the CPU
ramMax RAM size
768MB
ramRAM types
SDR UDIMM168-pin EDO UDIMM
pwrPSU connector
tag Also known as
  • QDI P6I440BX/B1S/Z1S
connI/O ports
1x 
Floppy interface
2x 
IDE interface
1x 
IrDA
1x 
Parallel
1x 
SB_Link
2x 
Serial
2x 
USB 1.x
cardExpansion slots
3x 
16-bit ISA
1x 
3.3V AGP
4x 
32-bit PCI
notes Notes

BIOS 1.xSLR is only supported in PCB 1.x motherboards, PCB 2.x needs BIOS 2.0SLR or newer, BIOS 2.0SLR/2.1SLR/2.2SLRB works in both PCB 1.x and 2.x boards

ROM.BY BIOS Patcher is INCOMPATIBLE with this BIOS and your board will boot to a blank screen when using it.

Rev 1.3 can run 133MHz FSB if the correct chips are on the board and you will need to program the U27 chip with a special file (see the "Documentation" tab)

Last updated 2025-03-18T06:34:40Z
Board info score is 9.8/10
bios 10 BIOS files available

vendor Award - 10 entries

POST string
Note
Core Ver.
BIOS Ver.
Logs
POST string
02/24/2001-i440BX-W977EF-2A69KQ19C-00
Note
Latest Beta BIOS
Core version
4.51PG
BIOS version
Logs
POST string
11/24/1999-i440BX-W977EF-2A69KQ19C-00
Note
Latest BIOS
Core version
4.51PG
BIOS version
Logs
POST string
08/02/1999-i440BX-W977EF-2A69KQ19C-00
Note
First Release for PCB 2.x boards
Core version
4.51PG
BIOS version
Logs
POST string
07/16/99-i440BX-W977TF-2A69KQ19C-00
Note
Core version
4.51PG
BIOS version
Logs
POST string
05/27/99-i440BX-W977TF-2A69KQ19C-00
Note
Core version
4.51PG
BIOS version
Logs
POST string
04/05/99-i440BX-W977TF-2A69KQ19C-00
Note
Core version
4.51PG
BIOS version
Logs
POST string
02/06/99-i440BX-W977TF-2A69KQ19C-00
Note
Core version
4.51PG
BIOS version
Logs
POST string
01/22/99-i440BX-W977TF-2A69KQ19C-00
Note
Core version
4.51PG
BIOS version
Logs
POST string
11/06/98-i440BX-W977TF-2A69KQ19C-00
Note
Core version
4.51PG
BIOS version
Logs
POST string
09/01/98-i440BX-W977TF-2A69KQ19C-00
Note
First Release
Core version
4.51PG
BIOS version
Logs
drv 6 drivers available
Name
Version
OS support
Arch
Size
Filename
Name
Version
3.20.1008
OS support
Windows 2000 Windows 9x Windows XP/2k3
Arch
Size
Empty
Filename
Name
Version
3.7B / 3.7D
OS support
MS-DOS NetWare Server 3 NetWare Server 4 OS/2 Warp 3.x Windows 3.1x Windows 9x Windows NT 3.5x
Arch
x86
Size
1.6MB
Filename
doc 1 board document available
Release date
File
Logs
Release date
File
Logs
doc 1 other file available
Title
File
Logs
Title
BrillianX 1S rev 1.3 133MHz FSB options
File
Logs

Disclaimer

The info found in this page might not be entirely correct. Check out this guide to learn how you can improve it.