Philips E853
Logs
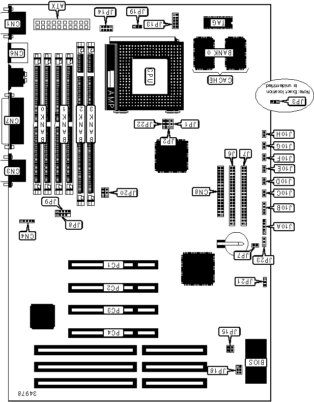
chipChipset
cpuSocket
speedFSB speeds
50MHz60MHz66MHz
moboForm factor
ATX (max 305 x 244 mm)
dimDimensions
250mm x 220mm
chipCache
512KB
ramMax RAM size
256MB
ramRAM types
72-pin EDOSDR UDIMM
pwrPSU connector
Empty
connI/O ports
1x 
Floppy interface
2x 
IDE interface
1x 
PS/2 mouse
1x 
Parallel
2x 
Serial
2x 
USB 1.x
cardExpansion slots
3x 
16-bit ISA
4x 
32-bit PCI
Last updated 2021-11-08T19:45:35Z
Board info score is 6.3/10
bios 0 BIOS files available

vendor Award - 1 entry

POST string
Note
Core Ver.
BIOS Ver.
Logs
POST string
Note
Core version
BIOS version
Logs
drv No drivers available
doc 1 board document available
Release date
File
Logs
Release date
File
Logs

Disclaimer

The info found in this page might not be entirely correct. Check out this guide to learn how you can improve it.