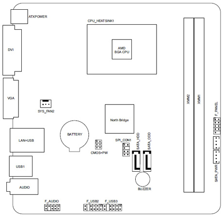
Pegatron APXD1-DM Redwood2 (HP OEM)
Logs
chipChipset
cpuSocket
speedFSB speed
100MHz
moboForm factor
Mini ITX (max 170 x 170 mm)
dimDimensions
170mm x 170mm
ramMax VRAM size
384MB
chipCache
None/Integrated in the CPU
ramMax RAM size
32GB(DDR3-1333)
ramRAM type
DDR3 UDIMM
pwrPSU connector
tag Also known as
  • HP Redwood 2
connI/O ports
1x 
3.5mm Audio Combo
1x 
DVI
1x 
RJ-45 LAN
2x 
SATA II
8x 
USB 2.0
1x 
VGA
cardExpansion slots
Empty
notes Notes
  • HP Pavilion 110-105l.
  • Compaq 100-125ea, 100-103la, 100-100el.
  • Soldered CPU/GPU (non-upgradable).
Last updated 2024-12-10T16:39:16Z
Board info score is 7.8/10
bios 1 BIOS file available

vendor AMI - 1 entry

POST string
Note
Core Ver.
BIOS Ver.
Logs
POST string
Note
sp70481
Core version
BIOS version
Logs
drv 2 drivers available
Name
Version
OS support
Arch
Size
Filename
Name
Version
2.1.0.21
OS support
Windows 7 Windows 8.x Windows Vista Windows XP/2k3
Arch
x86 , x86-64
Size
5.8MB
Filename
Name
Version
R2.74
OS support
Windows 2000 Windows 7 Windows Vista Windows XP/2k3
Arch
Size
30.7MB
Filename
doc 1 board document available
Release date
File
Logs
Release date
File
Logs

Disclaimer

The info found in this page might not be entirely correct. Check out this guide to learn how you can improve it.