PCPartner EXB831D (35-8831)
66MHz
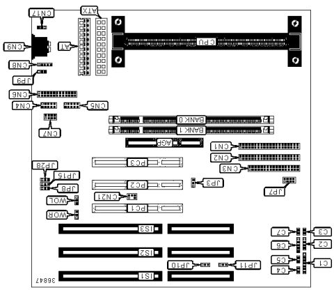
Baby AT (max 220 x 330 mm)
220 mm x 220 mm
None/Integrated in the CPU
256MB(SDRAM)512MB(EDO)
SDR UDIMM168-pin EDO UDIMM
- Aristo AM-627EX
1x
AT Keyboard
1x
Floppy interface
2x
IDE interface
1x
PS/2 mouse
1x
Parallel
2x
Serial
2x
USB 1.x
3x
16-bit ISA
1x
3.3V AGP
3x
32-bit PCI
Also can be used with socket370 Celerons using a Slotket adapter. Unknown until what speed grade although the bios lists a maximum of 533 (8x multiplier)
Last updated 2024-04-11T10:08:37Z
Board info score is 9.3/10
-> Chipset part
Award - 4 entries
POST string
Note
Core Ver.
BIOS Ver.
Logs
POST string
12/28/1998-ITE8671-2A69JV3QC-00
Note
2Mbit ITE 8671 I/O
Core version
4.51PG
BIOS version
Logs
POST string
12/23/1998-ITE8671-2A69JV3FC-00
Note
1Mbit ITE 8671 I/O
Core version
4.51PG
BIOS version
Logs
POST string
07/03/1998-ITE8679-2A69JV3JC-00
Note
1Mbit ITE 8679 I/O
Core version
4.51PG
BIOS version
Logs
POST string
07/03/1998-ITE8671-2A69JV3FC-00
Note
1Mbit ITE 8671 I/O
Core version
4.51PG
BIOS version
Logs
Name
Version
OS support
Arch
Size
Filename
Name
Version
3.20.1008
OS support
Arch
Size
Empty
Filename
Name
Version
3.7B / 3.7D
OS support
Arch
x86
Size
1.6MB
Filename
Version
OS support
Arch
Size
Filename
Version
OS support
Arch
Size
Filename
Version
OS support
Arch
x86
Size
2.2MB
Filename
Release date
File
Logs
Chip
Release date
File
Logs
Chip
Release date
File
Logs
Family
Release date
File
Logs
Family
Release date
2002-02
File
Logs
Family
Release date
1998-01
File
Logs
Family
Release date
1998-01
File
Logs
Socket
Release date
File
Logs
Socket
Release date
1999-02
File
Logs
Socket
Release date
1997-05
File
Logs
Disclaimer
The info found in this page might not be entirely correct. Check out this guide to learn how you can improve it.