PCPartner BSMS1-894 (35-8894)
Logs
chipChipset
cpuSocket
speedFSB speeds
66MHz100MHz
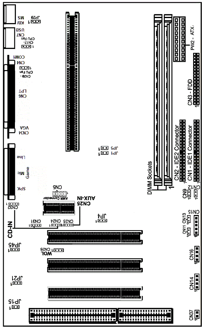
moboForm factor
microATX (max 244 x 244 mm)
dimDimensions
244 mm x 178 mm
ramMax VRAM size
4MB
chipCache
None/Integrated in the CPU
ramMax RAM size
256MB(unregistered SDRAM)512MB(registered SDRAM)
ramRAM type
SDR UDIMM
pwrPSU connector
tag Also known as
connI/O ports
1x 
Floppy interface
1x 
Gameport
2x 
IDE interface
1x 
PS/2 keyboard
1x 
PS/2 mouse
1x 
Parallel
2x 
Serial
2x 
USB 1.x
1x 
VGA
cardExpansion slots
1x 
16-bit ISA
3x 
32-bit PCI
1x 
AMR
Last updated 2023-02-12T13:20:40Z
Board info score is 9.4/10
bios 3 BIOS files available

vendor Award - 3 entries

POST string
Note
Core Ver.
BIOS Ver.
Logs
POST string
11/15/2000-i810-NS363-6A69MV39C-00
Note
ICW 4Mbit
Core version
6.00PG
BIOS version
Logs
POST string
08/11/2000-i810-NS366-6A69MV3AC-00
Note
ICS 4Mbit
Core version
6.00PG
BIOS version
Logs
POST string
09/01/2001-i810-NS363-6A69MV3FC-00
Note
ICW 2Mbit
Core version
6.00PG
BIOS version
Logs
drv 9 drivers available
Name
Version
OS support
Arch
Size
Filename
Name
Version
4.1
OS support
Windows 2000 Windows NT 4.0 Windows XP/2k3
Arch
x86
Size
4.2MB
Filename
doc 2 board documents available
Release date
File
Logs
Release date
File
Logs
Release date
File
Logs

Disclaimer

The info found in this page might not be entirely correct. Check out this guide to learn how you can improve it.