PCChips/Hsin Tech M726
66MHz100MHz
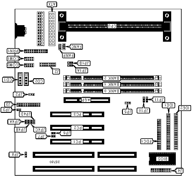
Baby AT (max 220 x 330 mm)
220mm x 220mm
None/Integrated in the CPU
768MB
SDR UDIMM
1x
AT Keyboard
1x
Floppy interface
2x
IDE interface
1x
IrDA
1x
PS/2 mouse
1x
Parallel
2x
Serial
2x
16-bit ISA
1x
3.3V AGP
3x
32-bit PCI
Inconsistent behavior at 100Mhz FSB clock.
You can get slightly better results by disabling sideband with the ALi AGP utility 1.4.
For nVidia cards, the 4.12.01.0532 driver set seems to give best results.
PCChips M726 Hardware Tuning notes, by Rainbow-Software
https://web.archive.org/web/20061211045616fw_/http://www.rainbow-software.org/hardware/m726tune.html
Last updated 2025-12-22T23:18:12Z
Board info score is 9.6/10
-> Chipset part
-> Audio
-> Clock Synth / PLL
AMI - 14 entries
POST string
Note
Core Ver.
BIOS Ver.
Logs
POST string
61-1218-001437-00111111-071595-ALi1621-M726_V3.4-5123
Note
Core version
071595
BIOS version
Logs
POST string
61-1020-001437-00111111-071595-ALi1621-M726_V3.3-5123
Note
Core version
071595
BIOS version
Logs
POST string
61-0925-001437-00111111-071595-ALi1621-M726_V3.3-5123
Note
Core version
071595
BIOS version
Logs
POST string
61-0923-001437-00111111-071595-ALi1621-M726_V3.3-5123
Note
Core version
071595
BIOS version
Logs
POST string
61-0922-001437-00111111-071595-ALi1621-M726_V3.3-5123
Note
Core version
071595
BIOS version
Logs
POST string
61-0330-001437-00111111-071595-ALi1621-M726_V3.4-5123
Note
latest release
Core version
071595
BIOS version
Logs
POST string
61-0412-001437-00111111-071595-ALi1621-M726_V3.4-5123
Note
Core version
071595
BIOS version
Logs
POST string
61-0330-001437-00111111-071595-ALi1621-M726_V3.4-5123-H
Note
Core version
071595
BIOS version
Logs
POST string
61-0304-001437-00111111-071595-ALi1621-M726_V3.4-5123
Note
Core version
071595
BIOS version
Logs
POST string
61-0222-001437-00111111-071595-ALi1621-M726_V3.4-5123
Note
Core version
071595
BIOS version
Logs
POST string
61-0120-001437-00111111-071595-ALi1621-M726_V3.4-5123
Note
Core version
071595
BIOS version
Logs
Name
Version
OS support
Arch
Size
Filename
Name
Version
1.20
OS support
Arch
Size
615.5KB
Filename
Name
Version
1.00
OS support
Arch
x86
Size
1.5MB
Filename
Name
Version
2.20
OS support
Arch
Size
10.1MB
Filename
Name
Version
4.10.0.00152
OS support
Arch
Size
35.9MB
Filename
Name
Version
4.10.00.0152
OS support
Arch
Size
27.2MB
Filename
Version
OS support
Arch
Size
Filename
Release date
File
Logs
Chip
Release date
File
Logs
Family
Release date
File
Logs
Family
Release date
2002-02
File
Logs
Family
Release date
1998-01
File
Logs
Family
Release date
1998-01
File
Logs
Socket
Release date
File
Logs
Socket
Release date
1999-02
File
Logs
Socket
Release date
1997-05
File
Logs
Disclaimer
The info found in this page might not be entirely correct. Check out this guide to learn how you can improve it.