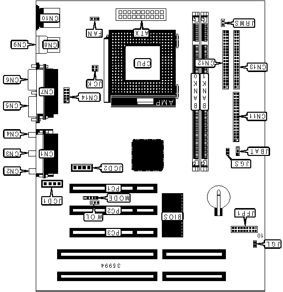
MSI MS-5176 (CX2)
66MHz
microATX (max 244 x 244 mm)
244mm x 176mm
1MB
None/Integrated in the CPU
512MB
SDR UDIMM
1x
Floppy interface
1x
Gameport
2x
IDE interface
1x
PS/2 keyboard
1x
PS/2 mouse
1x
Parallel
2x
Serial
2x
USB 1.x
2x
16-bit ISA
3x
32-bit PCI
Last updated 2023-02-12T21:43:16Z
Board info score is 8.7/10
Award - 1 entry
POST string
Note
Core Ver.
BIOS Ver.
Logs
Name
Version
OS support
Arch
Size
Filename
Name
Version
4.10.01.1305
OS support
Arch
Size
363.2KB
Filename
Release date
File
Logs
Disclaimer
The info found in this page might not be entirely correct. Check out this guide to learn how you can improve it.