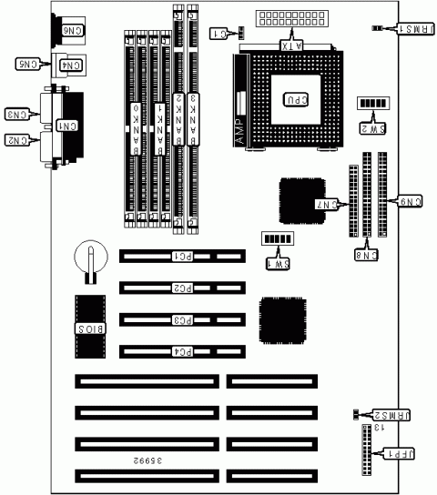
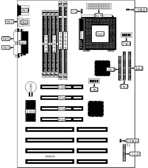
MSI MS-5163
Logs
chipChipset
cpuSocket
speedFSB speeds
60MHz66MHz
moboForm factor
ATX (max 305 x 244 mm)
dimDimensions
300mm x186mm
chipCache
512KB
ramMax RAM size
1GB
ramRAM types
72-pin EDOSDR UDIMM
pwrPSU connector
tag Also known as
connI/O ports
1x 
Floppy interface
2x 
IDE interface
1x 
PS/2 keyboard
1x 
PS/2 mouse
1x 
Parallel
2x 
Serial
2x 
USB 1.x
cardExpansion slots
4x 
16-bit ISA
4x 
32-bit PCI
Last updated 2022-11-05T14:03:49Z
Board info score is 9.1/10
bios 6 BIOS files available

vendor Award - 6 entries

POST string
Note
Core Ver.
BIOS Ver.
Logs
POST string
09/03/97-ALi-154x-2A5KIM4AC-00
Note
Core version
4.51PG
BIOS version
Logs
POST string
02/11/98-ALi-154x-2A5KIM4AC-00
Note
Core version
4.51PG
BIOS version
Logs
POST string
11/20/97-ALi-154x-2A5KIM4AC-00
Note
Core version
4.51PG
BIOS version
Logs
POST string
10/16/97-ALi-154x-2A5KIM4AC-00
Note
Core version
4.51PG
BIOS version
Logs
POST string
12/16/1998-ALi-154x-2A5KIM4AC-00
Note
Core version
4.51PG
BIOS version
Logs
POST string
09/10/97-ALi-154x-2A5KIM4AC-00
Note
Core version
4.51PG
BIOS version
Logs
drv 4 drivers available
Name
Version
OS support
Arch
Size
Filename
Name
Version
3.56
OS support
Windows 9x Windows NT 4.0
Arch
Size
880.3KB
Filename
Name
Version
1.00
OS support
Windows 9x
Arch
x86
Size
1.5MB
Filename
Name
Version
2.13
OS support
Windows 2000 Windows 9x Windows NT 4.0 Windows XP/2k3
Arch
Size
7.3MB
Filename
Name
Version
2.20
OS support
Windows 2000 Windows 9x Windows NT 4.0 Windows XP/2k3
Arch
Size
10.1MB
Filename
doc 2 board documents available
Release date
File
Logs
Release date
File
Logs
Release date
File
Logs

Disclaimer

The info found in this page might not be entirely correct. Check out this guide to learn how you can improve it.