Logs
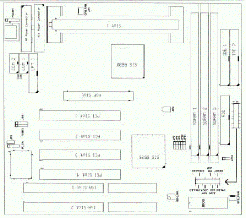
chipChipset
cpuSocket
speedFSB speed
66MHz
moboForm factor
Baby AT (max 220 x 330 mm)
dimDimensions
220mm x 250mm
chipCache
None/Integrated in the CPU
ramMax RAM size
1.5GB
ramRAM types
SDR UDIMM168-pin EDO UDIMM
pwrPSU connector
connI/O ports
1x 
AT Keyboard
1x 
Floppy interface
2x 
IDE interface
1x 
PS/2 mouse
1x 
Parallel
2x 
Serial
2x 
USB 1.x
cardExpansion slots
2x 
16-bit ISA
1x 
3.3V AGP
4x 
32-bit PCI
Last updated 2024-03-13T19:47:46Z
Board info score is 9.4/10
chip Chips
-> Chipset part -> Super I/O
cpufam CPU family support
bios 1 BIOS file available

vendor Award - 1 entry

POST string
Note
Core Ver.
BIOS Ver.
Logs
POST string
03/12/1999-SiS-5600-W877-2A6ILR09C-00
Note
Core version
4.51PG
BIOS version
Logs
drv 5 drivers available
Name
Version
OS support
Arch
Size
Filename
Name
Version
1.21
OS support
Windows 2000 Windows 9x Windows XP/2k3
Arch
Size
Empty
Filename
Name
Version
1.0
OS support
Windows 9x
Arch
Size
Empty
Filename
Name
Version
2.04A
OS support
Windows 2000 Windows 9x Windows XP/2k3
Arch
Size
Empty
Filename
Name
Version
2.13
OS support
MS-DOS OS/2 Warp 3.x OS/2 Warp 4.x Windows 9x Windows NT 3.1 Windows NT 3.5x Windows NT 4.0
Arch
Size
Empty
Filename
Name
Version
1.4
OS support
Windows 9x Windows NT 3.1 Windows NT 3.5x Windows NT 4.0
Arch
Size
923.7KB
Filename
doc 1 board document available
Release date
File
Logs
Release date
File
Logs

Disclaimer

The info found in this page might not be entirely correct. Check out this guide to learn how you can improve it.