Lucky Star P4SAD
Logs
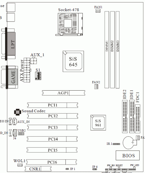
chipChipset
cpuSocket
speedFSB speed
400MHz
moboForm factor
ATX (max 305 x 244 mm)
dimDimensions
Empty
chipCache
None/Integrated in the CPU
ramMax RAM size
3GB
ramRAM type
DDR UDIMM
pwrPSU connector
connI/O ports
1x 
Floppy interface
1x 
Gameport
2x 
IDE interface
1x 
PS/2 keyboard
1x 
PS/2 mouse
1x 
Parallel
2x 
Serial
6x 
USB 1.x
cardExpansion slots
6x 
32-bit PCI
1x 
CNR
1x 
Universal AGP
Last updated 2024-05-23T09:49:57Z
Board info score is 9.3/10
bios 2 BIOS files available

vendor Award - 2 entries

POST string
Note
Core Ver.
BIOS Ver.
Logs
POST string
12/13/2001-SiS-645-6A6IXL1AC-00
Note
Core version
6.00PG
BIOS version
Logs
POST string
12/04/2001-SiS-645-6A6IXL1AC-00
Note
Core version
6.00PG
BIOS version
Logs
drv 5 drivers available
Name
Version
OS support
Arch
Size
Filename
Name
Version
4.02.0017
OS support
Windows NT 4.0
Arch
x86
Size
5.5MB
Filename
Name
Version
4.10.2225
OS support
Windows 9x
Arch
x86
Size
4.6MB
Filename
Name
Version
5.00.2238
OS support
Windows 2000 Windows 9x
Arch
x86
Size
3MB
Filename
Name
Version
1.21
OS support
Windows 2000 Windows 9x Windows XP/2k3
Arch
Size
Empty
Filename
Name
Version
2.04A
OS support
Windows 2000 Windows 9x Windows XP/2k3
Arch
Size
Empty
Filename
doc 1 board document available
Release date
File
Logs
Release date
File
Logs

Disclaimer

The info found in this page might not be entirely correct. Check out this guide to learn how you can improve it.