Lucky Star 6VBX2 (SOUND)
Logs
chipChipset
cpuSocket
speedFSB speeds
66MHz100MHz
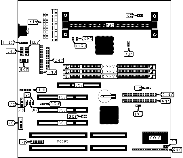
moboForm factor
Baby AT (max 220 x 330 mm)
dimDimensions
230mm x 220mm
chipCache
None/Integrated in the CPU
ramMax RAM size
512MB
ramRAM types
SDR UDIMM168-pin EDO UDIMM
pwrPSU connector
Empty
connI/O ports
1x 
Floppy interface
1x 
Gameport
2x 
IDE interface
1x 
PS/2 mouse
1x 
Parallel
2x 
Serial
2x 
USB 1.x
cardExpansion slots
2x 
16-bit ISA
1x 
3.3V AGP
3x 
32-bit PCI
Last updated 2021-11-08T19:24:52Z
Board info score is 7/10
bios 0 BIOS files available

vendor Award - 1 entry

POST string
Note
Core Ver.
BIOS Ver.
Logs
POST string
Note
Core version
BIOS version
Logs
drv 17 drivers available
Name
Version
OS support
Arch
Size
Filename
Name
Version
V4.12.01.1165
OS support
Windows 9x
Arch
Size
1MB
Filename
Name
Version
4.05.1031
OS support
Windows 9x
Arch
x86
Size
1007.7KB
Filename
Name
Version
N/A
OS support
MS-DOS
Arch
x86
Size
111.9KB
Filename
Name
Version
5.0.212
OS support
Empty
Arch
x86
Size
1.4MB
Filename
Name
Version
6.12.10.3055
OS support
Windows 2000 Windows XP/2k3
Arch
x86
Size
53KB
Filename
Name
Version
4.17.24
OS support
Windows 3.1x
Arch
x86
Size
215.4KB
Filename
Name
Version
4.43V
OS support
Windows 2000 Windows 9x Windows NT 4.0 Windows XP/2k3
Arch
Size
1.1MB
Filename
doc 2 board documents available
Release date
File
Logs
Release date
File
Logs
Release date
File
Logs

Disclaimer

The info found in this page might not be entirely correct. Check out this guide to learn how you can improve it.