Lucky Star 6VABX2 1.0
66MHz100MHz
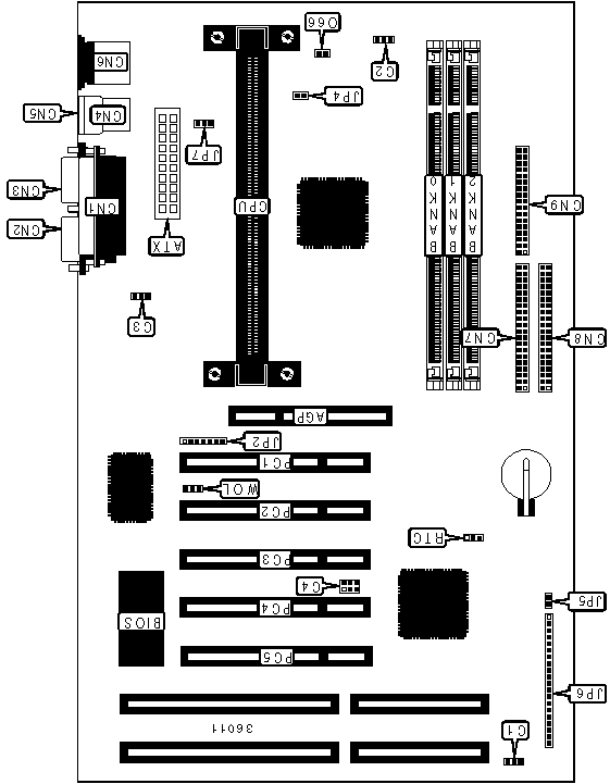
ATX (max 305 x 244 mm)
305mm x 180mm
None/Integrated in the CPU
768MB
SDR UDIMM168-pin EDO UDIMM
1x
Floppy interface
2x
IDE interface
1x
PS/2 keyboard
1x
PS/2 mouse
1x
Parallel
2x
Serial
2x
USB 1.x
2x
16-bit ISA
1x
3.3V AGP
5x
32-bit PCI
Last updated 2022-06-14T18:08:41Z
Board info score is 8.4/10
-> Chipset part
Award - 4 entries
POST string
Note
Core Ver.
BIOS Ver.
Logs
POST string
05/20/1999-692-596-W977-2A6LGL1EC-00
Note
Core version
4.51PG
BIOS version
Logs
POST string
08/24/1999-692-596-W977-2A6LGL1AC-00
Note
Core version
4.51PG
BIOS version
Logs
POST string
04/20/1999-692-596-W977-2A6LGL1AC-03
Note
Core version
4.51PG
BIOS version
Logs
POST string
01/14/1999-692-596-W977-2A6LGL1AC-00
Note
Core version
4.51PG
BIOS version
Logs
Version
OS support
Arch
Size
Filename
Version
OS support
Arch
Size
1.1MB
Filename
Version
OS support
Arch
Size
1.1MB
Filename
Release date
File
Logs
Chip
Release date
File
Logs
Chip
Release date
1997-05-13
File
Logs
Family
Release date
File
Logs
Family
Release date
2002-02
File
Logs
Family
Release date
1998-01
File
Logs
Family
Release date
1998-01
File
Logs
Socket
Release date
File
Logs
Socket
Release date
1999-02
File
Logs
Socket
Release date
1997-05
File
Logs
Disclaimer
The info found in this page might not be entirely correct. Check out this guide to learn how you can improve it.