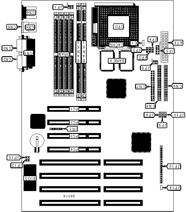
Lucky Star 5ATX2
Logs
chipChipset
cpuSocket
speedFSB speeds
50MHz60MHz66MHz
moboForm factor
ATX (max 305 x 244 mm)
dimDimensions
305mm x 244mm
chipCache
256KB512KB
ramMax RAM size
128MB
ramRAM type
Empty
pwrPSU connector
Empty
connI/O ports
1x 
Floppy interface
2x 
IDE interface
1x 
PS/2 mouse
1x 
Parallel
2x 
Serial
2x 
USB 1.x
cardExpansion slots
4x 
16-bit ISA
4x 
32-bit PCI
notes Notes

Bios

*1 - PCCillin added

*2 - Fixed bug with UMC9008 LAN Client/Server

Last updated 2022-06-09T16:35:01Z
Board info score is 7.4/10
bios 4 BIOS files available

vendor Award - 4 entries

POST string
Note
Core Ver.
BIOS Ver.
Logs
POST string
09/30/1998-i430TX-ITE-2A59IL1GC-00
Note
*2
Core version
4.51PG
BIOS version
Logs
POST string
12/12/97-i430TX-ITE8680F-2A59IL1GC-00
Note
*1
Core version
4.51PG
BIOS version
Logs
POST string
09/19/97-i430TX-ITE8680F-2A59IL1GC-00
Note
Core version
4.51PG
BIOS version
Logs
POST string
09/19/97-i430TX-ITE8680F-2A59IL1GC-00
Note
Core version
4.51PG
BIOS version
Logs
drv 6 drivers available
Name
Version
OS support
Arch
Size
Filename
Name
Version
3.00
OS support
OS/2 Warp 3.x Windows NT 3.5x Windows NT 4.0
Arch
x86
Size
1.2MB
Filename
Name
Version
3.7B / 3.7D
OS support
MS-DOS NetWare Server 3 NetWare Server 4 OS/2 Warp 3.x Windows 3.1x Windows 9x Windows NT 3.5x
Arch
x86
Size
1.6MB
Filename

Disclaimer

The info found in this page might not be entirely correct. Check out this guide to learn how you can improve it.