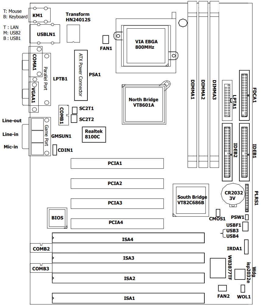
Lanner Electronics IMB-X61 series
Logs
chipChipset
cpuSocket
speedFSB speeds
66MHz100MHz133MHz
moboForm factor
ATX (max 305 x 244 mm)
dimDimensions
Empty
ramMax VRAM size
4MB
chipCache
None/Integrated in the CPU
ramMax RAM size
1.5GB
ramRAM type
SDR UDIMM
pwrPSU connector
tag Also known as
connI/O ports
1x 
Floppy interface
2x 
IDE interface
1x 
IrDA
1x 
PS/2 keyboard
1x 
PS/2 mouse
2x 
Parallel
1x 
RJ-45 LAN
4x 
Serial
4x 
USB 1.x
1x 
VGA
cardExpansion slots
4x 
16-bit ISA
4x 
32-bit PCI
notes Notes

IMB-X61A: supports 4 serial/2 parallel ports, has onboard audio and LAN

IMB-X61C: supports 2 serial/1 parallel ports, doesn't have onboard audio or LAN

Both variants have a soldered VIA C3 800MHz CPU (likely either Eden or Samuel 2 core)

Last updated 2025-12-11T06:06:31Z
Board info score is 8.6/10
bios 2 BIOS files available

vendor Award - 2 entries

POST string
Note
Core Ver.
BIOS Ver.
Logs
POST string
09/22/2003-VT8601A-686B-6A6LIL7AC-00
Note
for IMB-X61C
Core version
6.00PG
BIOS version
Logs
POST string
09/19/2003-VT8601A-686B-6A6LIL7AC-00
Note
for IMB-X61A
Core version
6.00PG
BIOS version
Logs
drv 13 drivers available
Name
Version
OS support
Arch
Size
Filename
Name
Version
V5.00
OS support
MS-DOS Mac OS X NetWare Server 3 NetWare Server 4 Netware Client32 SCO Unix - OpenServer Windows 2000 Windows 3.1x Windows 9x Windows NT 3.5x Windows NT 4.0
Arch
x86 , PPC
Size
3.3MB
Filename
Name
Version
1.0
OS support
MS-DOS Windows 2000 Windows 9x Windows NT 4.0 Windows XP/2k3
Arch
Size
490.9KB
Filename
Name
Version
4.43V
OS support
Windows 2000 Windows 9x Windows NT 4.0 Windows XP/2k3
Arch
Size
1.1MB
Filename
Name
Version
N/A
OS support
MS-DOS
Arch
x86
Size
227.7KB
Filename
Name
Version
5.70d
OS support
Windows 2000 Windows 9x Windows NT 3.5x Windows NT 4.0 Windows XP/2k3
Arch
x86
Size
3.9MB
Filename
Name
Version
V3.00a
OS support
MS-DOS Windows 2000 Windows 9x Windows NT 4.0 Windows XP/2k3
Arch
x86
Size
1.9MB
Filename
Name
Version
13.01.03
OS support
Windows 9x
Arch
Size
5.2MB
Filename
Name
Version
10.10.20
OS support
Windows NT 4.0
Arch
Size
3.7MB
Filename
Name
Version
4.03.00.3120
OS support
Windows NT 4.0
Arch
Size
8.2MB
Filename
doc 1 board document available
Release date
File
Logs
Release date
File
Logs

Disclaimer

The info found in this page might not be entirely correct. Check out this guide to learn how you can improve it.