Logs
chipChipset
cpuSocket
speedFSB speeds
50MHz60MHz66MHz
moboForm factor
EBX/Little Board/Biscuit SBC 5.25" (max 203 x 146 mm)
dimDimensions
203mm x 146mm
ramMax VRAM size
2MB
chipCache
512KB
ramMax RAM size
64MB
ramRAM types
72-pin FPM72-pin EDO
pwrPSU connector
connI/O ports
1x 
Disk-on-Chip Socket
1x 
Floppy interface
1x 
Gameport
1x 
IDE interface
1x 
IrDA
1x 
PS/2 mouse
1x 
Parallel
1x 
RJ-45 LAN
4x 
Serial
2x 
USB 1.x
cardExpansion slots
1x 
32-bit PCI
1x 
PC/104
wrench Known issues
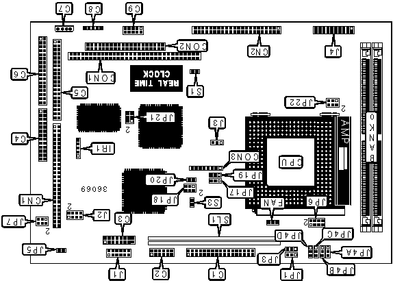
  • DALLAS RTC coin cell empty

The motherboard's Real-Time Clock (RTC) chip contains a coin cell that may have drained, causing the loss of CMOS settings. This can result in an inability to save settings, causing system instability or failure to boot. To fix this, the RTC chip can be replaced with an equivalent or repaired by cutting into it and soldering on a new external coin cell holder. Replacement guides are available at https://github.com/necroware/nwX287 or https://github.com/necroware/nw12887, depending on the actual chip used.

notes Notes

Version with RTL8139B exists

Last updated 2025-12-11T05:51:43Z
Board info score is 8.2/10
bios 0 BIOS files available

vendor Award - 1 entry

POST string
Note
Core Ver.
BIOS Ver.
Logs
POST string
Note
Core version
BIOS version
Logs
drv 8 drivers available
Name
Version
OS support
Arch
Size
Filename
Name
Version
3.00
OS support
OS/2 Warp 3.x Windows NT 3.5x Windows NT 4.0
Arch
x86
Size
1.2MB
Filename
Name
Version
5.719.0325.2009
OS support
Linux MS-DOS Mac OS X NetWare Server 3 NetWare Server 4 Windows 2000 Windows 7 Windows 9x Windows Vista Windows XP/2k3
Arch
x86
Size
39.5MB
Filename
Name
Version
V5.00
OS support
MS-DOS Mac OS X NetWare Server 3 NetWare Server 4 Netware Client32 SCO Unix - OpenServer Windows 2000 Windows 3.1x Windows 9x Windows NT 3.5x Windows NT 4.0
Arch
x86 , PPC
Size
3.3MB
Filename
Name
Version
3.7B / 3.7D
OS support
MS-DOS NetWare Server 3 NetWare Server 4 OS/2 Warp 3.x Windows 3.1x Windows 9x Windows NT 3.5x
Arch
x86
Size
1.6MB
Filename

Disclaimer

The info found in this page might not be entirely correct. Check out this guide to learn how you can improve it.