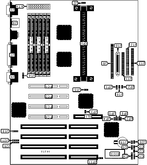
Jetway J-7FXA/SCSI
66MHz
ATX (max 305 x 244 mm)
305mm x 244mm
None/Integrated in the CPU
512MB
168-pin EDO UDIMM
- Jetway J-7FXA (w/o SCSI)
1x
Floppy interface
2x
IDE interface
2x
Internal SCSI
1x
PS/2 keyboard
1x
PS/2 mouse
1x
Parallel
2x
Serial
2x
USB 1.x
4x
16-bit ISA
4x
32-bit PCI
1x
RAID Port
Adaptec AIC-7880 SCSI controller
Last updated 2022-06-02T11:08:46Z
Board info score is 8.4/10
-> Chipset part
Award - 1 entry
POST string
Note
Core Ver.
BIOS Ver.
Logs
Name
Version
OS support
Arch
Size
Filename
Name
Version
3.00
OS support
Arch
x86
Size
1.2MB
Filename
Name
Version
3.7B / 3.7D
OS support
Arch
x86
Size
1.6MB
Filename
Version
OS support
Arch
Size
Filename
Release date
File
Logs
Chip
Release date
File
Logs
Chip
Release date
File
Logs
Chip
Release date
File
Logs
Family
Release date
File
Logs
Family
Release date
2002-02
File
Logs
Family
Release date
1998-01
File
Logs
Family
Release date
1998-01
File
Logs
Socket
Release date
File
Logs
Socket
Release date
1999-02
File
Logs
Socket
Release date
1997-05
File
Logs
Disclaimer
The info found in this page might not be entirely correct. Check out this guide to learn how you can improve it.