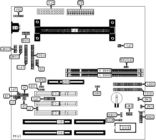
Jetway J-791BSR2
Logs
chipChipset
cpuSocket
speedFSB speeds
66MHz100MHz
moboForm factor
Baby AT (max 220 x 330 mm)
dimDimensions
220 mm x 230 mm
chipCache
None/Integrated in the CPU
ramMax RAM size
512MB
ramRAM types
SDR UDIMM168-pin EDO UDIMM
pwrPSU connector
tag Also known as
connI/O ports
1x 
AT Keyboard
1x 
Floppy interface
1x 
Gameport
2x 
IDE interface
1x 
PS/2 mouse
1x 
Parallel
2x 
Serial
2x 
USB 1.x
cardExpansion slots
2x 
16-bit ISA
1x 
3.3V AGP
3x 
32-bit PCI
Last updated 2024-10-16T20:12:47Z
Board info score is 8.7/10
bios 1 BIOS file available

vendor Award - 1 entry

POST string
Note
Core Ver.
BIOS Ver.
Logs
POST string
01/25/1999-691-586B-W877-2A6LFJ1CC-00
Note
Core version
4.51PG
BIOS version
Logs
drv 6 drivers available
Name
Version
OS support
Arch
Size
Filename
Name
Version
4.10.0.00152
OS support
Windows 9x Windows NT 4.0
Arch
Size
35.9MB
Filename
Name
Version
4.10.00.0152
OS support
MS-DOS Windows 3.1x Windows 9x Windows NT 4.0
Arch
Size
27.2MB
Filename
Name
Version
4.43V
OS support
Windows 2000 Windows 9x Windows NT 4.0 Windows XP/2k3
Arch
Size
1.1MB
Filename
doc 3 board documents available
Release date
File
Logs
Release date
File
Logs
Release date
File
Logs
Release date
File
Logs

Disclaimer

The info found in this page might not be entirely correct. Check out this guide to learn how you can improve it.