Jetway Kuroshio BI-100
Logs
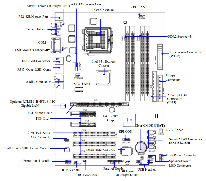
chipChipset
cpuSocket
speedFSB speeds
800MHz1066MHz1333MHz
moboForm factor
ATX (max 305 x 244 mm)
dimDimensions
305mm x 220mm
chipCache
None/Integrated in the CPU
ramMax RAM size
8GB
ramRAM type
DDR2 UDIMM
pwrPSU connector
tag Also known as
connI/O ports
1x 
3.5mm Audio Combo
1x 
Floppy interface
1x 
IDE interface
1x 
IrDA
1x 
PS/2 keyboard
1x 
PS/2 mouse
1x 
Parallel
1x 
RJ-45 LAN
2x 
S/PDIF
4x 
SATA II
2x 
Serial
8x 
USB 2.0
cardExpansion slots
3x 
32-bit PCI
2x 
PCIe x1
1x 
PCIe x16
notes Notes

Manual schema mistakenly lists the board as a P31 chipset board.

Last updated 2025-08-07T09:43:35Z
Board info score is 9.6/10
bios 1 BIOS file available

vendor Award - 1 entry

POST string
Note
Core Ver.
BIOS Ver.
Logs
POST string
12/03/2007-Bearlake-6A79OJ17C-00
Note
Core version
6.00PG
BIOS version
Logs
drv 2 drivers available
Name
Version
OS support
Arch
Size
Filename
Name
Version
11.45.4.3
OS support
Windows 7 Windows 8.x Windows Vista Windows XP/2k3
Arch
x86 , x86-64
Size
1.8MB
Filename
Name
Version
R2.74
OS support
Windows 2000 Windows 7 Windows Vista Windows XP/2k3
Arch
Size
30.7MB
Filename
doc 1 board document available
Release date
File
Logs
Release date
File
Logs

Disclaimer

The info found in this page might not be entirely correct. Check out this guide to learn how you can improve it.