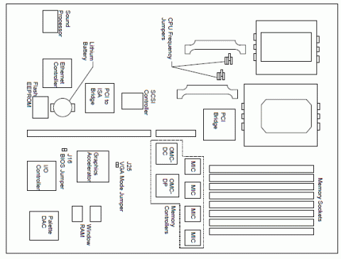
InterGraph TD-310 system board
Logs
chipChipset
cpuSocket
speedFSB speed
66MHz
moboForm factor
OEM / Proprietary
dimDimensions
305mm x 244mm
ramMax VRAM size
8MB
chipCache
None/Integrated in the CPU
ramMax RAM size
1GB
ramRAM types
72-pin FPM72-pin EDO
pwrPSU connector
Empty
maxcpuMulti CPU support
2 CPUs
connI/O ports
1x 
3.5mm Audio Combo
1x 
External SCSI
1x 
Floppy interface
1x 
Gameport
2x 
IDE interface
1x 
Internal SCSI
1x 
PS/2 keyboard
1x 
PS/2 mouse
1x 
Parallel
1x 
RJ-45 LAN
2x 
Serial
1x 
VGA
cardExpansion slots
3x 
16-bit ISA
3x 
32-bit PCI
wrench Known issues
  • Expansion slots are on proprietary riser

The listed slots are on the riser card that came with the motherboard.
If you have this board make sure you have the riser for it.

Last updated 2025-10-27T16:17:21Z
Board info score is 8.5/10
bios 0 BIOS files available

vendor AMI - 1 entry

POST string
Note
Core Ver.
BIOS Ver.
Logs
POST string
51-7526-006350-00111111-101094-ORION-5
Note
Core version
101094
BIOS version
1.24
Logs
drv 20 drivers available
Name
Version
OS support
Arch
Size
Filename
Name
Version
2.10
OS support
Windows 9x
Arch
x86
Size
88.9KB
Filename
Name
Version
3.03
OS support
MS-DOS
Arch
Size
526.5KB
Filename
Name
Version
6.2
OS support
Linux MS-DOS NetWare Server 3 NetWare Server 4 Netware Client32 OS/2 2.x Windows 2000 Windows 9x Windows NT 4.0
Arch
x86
Size
64.3MB
Filename
Name
Version
2003
OS support
MS-DOS OS/2 2.x
Arch
x86
Size
554.8KB
Filename
Name
Version
2003
OS support
Windows 2000
Arch
x86
Size
12.3MB
Filename
Name
Version
2003
OS support
Windows 9x
Arch
x86
Size
1.4MB
Filename
Name
Version
2003
OS support
Windows 9x
Arch
x86
Size
8.7MB
Filename
Name
Version
2003
OS support
Windows 9x
Arch
x86
Size
1.5MB
Filename
Name
Version
2003
OS support
Windows 9x
Arch
x86
Size
8.9MB
Filename
Name
Version
2003
OS support
Windows NT 4.0
Arch
x86
Size
7.6MB
Filename
Name
Version
11.1
OS support
MS-DOS Windows 2000 Windows 9x Windows XP/2k3
Arch
x86 , x86-64
Size
36.4MB
Filename
Name
Version
2.51
OS support
Windows NT 3.5x
Arch
x86
Size
639.9KB
Filename
Name
Version
2.58
OS support
OS/2 1.x
Arch
x86
Size
1.3MB
Filename
Name
Version
2.51
OS support
Windows NT 3.5x
Arch
x86
Size
639.9KB
Filename
Name
Version
1.12.000
OS support
Windows 9x
Arch
x86
Size
841.8KB
Filename
Name
Version
N/A
OS support
Windows 3.1x Windows 9x Windows NT 3.5x Windows NT 4.0
Arch
x86
Size
14.6MB
Filename
Name
Version
1.0
OS support
MS-DOS
Arch
x86
Size
1.8MB
Filename
doc 1 board document available
Release date
File
Logs
Release date
File
Logs

Disclaimer

The info found in this page might not be entirely correct. Check out this guide to learn how you can improve it.